OEM ЗАПЧАСТИ

  info@automotohub.ru   8 (916) 294-84-77
  О Компании   Оплата и Доставка   Помощь   Обратная связь

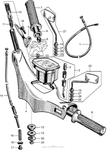
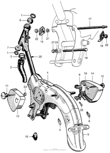
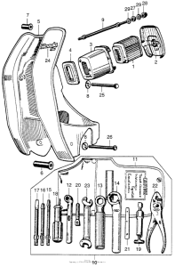
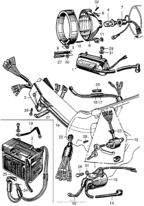
Запчасти для мотоциклов Honda CA102

  •  Код модели: CA102 A  •  Объем двигателя: 102
Запчасти для мотоциклов Honda CA102
{modalWnd}