OEM ЗАПЧАСТИ

  info@automotohub.ru   8 (916) 294-84-77
  О Компании   Оплата и Доставка   Помощь   Обратная связь

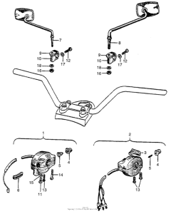
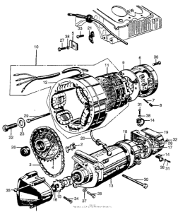
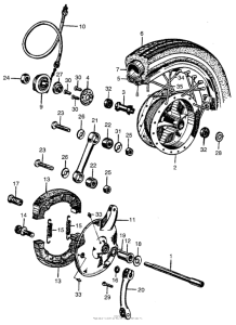
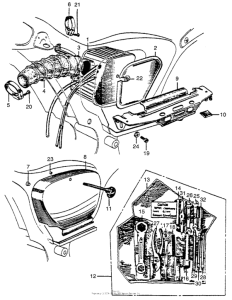
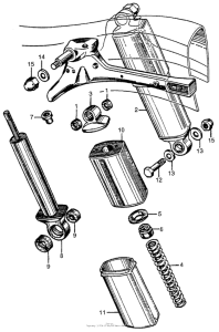
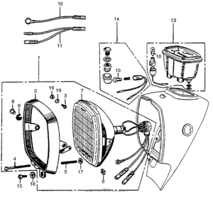
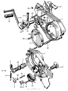
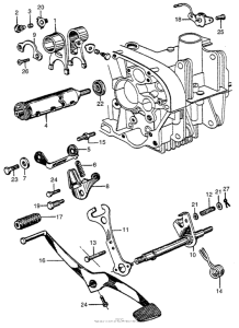
Запчасти для мотоциклов Honda C72

  •  Код модели: CA72 A  •  Объем двигателя: 72
Запчасти для мотоциклов Honda C72
{modalWnd}