OEM ЗАПЧАСТИ

  info@automotohub.ru   8 (916) 294-84-77
  О Компании   Оплата и Доставка   Помощь   Обратная связь

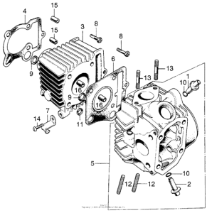
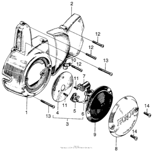
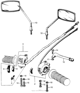
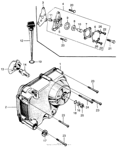
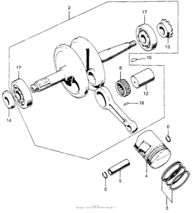
Запчасти для мотоциклов Honda C70 CUB

  •  Код модели: C70M A  •  Объем двигателя: 70
Запчасти для мотоциклов Honda C70 CUB
Выбирайте узел вашей техники:


{modalWnd}