OEM ЗАПЧАСТИ

  info@automotohub.ru   8 (916) 294-84-77
  О Компании   Оплата и Доставка   Помощь   Обратная связь

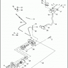
TLE for FLTR SP STANDARD SIDECAR (2009) (2009)

TLE for FLTR SP STANDARD SIDECAR (2009) (2009)
{modalWnd}