OEM ЗАПЧАСТИ

  info@automotohub.ru   8 (916) 294-84-77
  О Компании   Оплата и Доставка   Помощь   Обратная связь

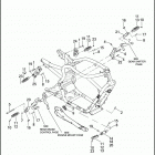
VRSCDA 1HLH VRSCDA NIGHT ROD W/ABS (2008) (2008)

VRSCDA 1HLH VRSCDA NIGHT ROD W/ABS (2008) (2008)
Выбирайте узел вашей техники:


{modalWnd}