OEM ЗАПЧАСТИ

  info@automotohub.ru   8 (916) 294-84-77
  О Компании   Оплата и Доставка   Помощь   Обратная связь

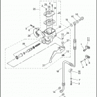
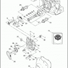
FXSTS 1BLY SPRINGER SOFTAIL (2004) (2004)

FXSTS 1BLY SPRINGER SOFTAIL (2004) (2004)
Выбирайте узел вашей техники:


{modalWnd}