OEM ЗАПЧАСТИ

  info@automotohub.ru   8 (916) 294-84-77
  О Компании   Оплата и Доставка   Помощь   Обратная связь

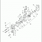
FXSTS 1BLL SPRINGER SOFTAIL (1999) (1999)

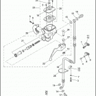
FXSTS 1BLL SPRINGER SOFTAIL (1999) (1999)
{modalWnd}