OEM ЗАПЧАСТИ

  info@automotohub.ru   8 (916) 294-84-77
  О Компании   Оплата и Доставка   Помощь   Обратная связь

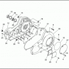
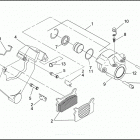
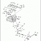
FLHTP 1DAL ELECTRA GLIDE STANDARD POLICE (WINDSHIELD) (1995) (1995)

FLHTP 1DAL ELECTRA GLIDE STANDARD POLICE (WINDSHIELD) (1995) (1995)
Выбирайте узел вашей техники:


{modalWnd}