OEM ЗАПЧАСТИ

  info@automotohub.ru   8 (916) 294-84-77
  О Компании   Оплата и Доставка   Помощь   Обратная связь

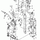
115 EFI (4-STROKE) 1B227000 THRU 1B366822 (Все)

115 EFI (4-STROKE) 1B227000 THRU 1B366822 (Все)
{modalWnd}