OEM ЗАПЧАСТИ

  info@automotohub.ru   8 (916) 294-84-77
  О Компании   Оплата и Доставка   Помощь   Обратная связь
Редуктор
#кодцена
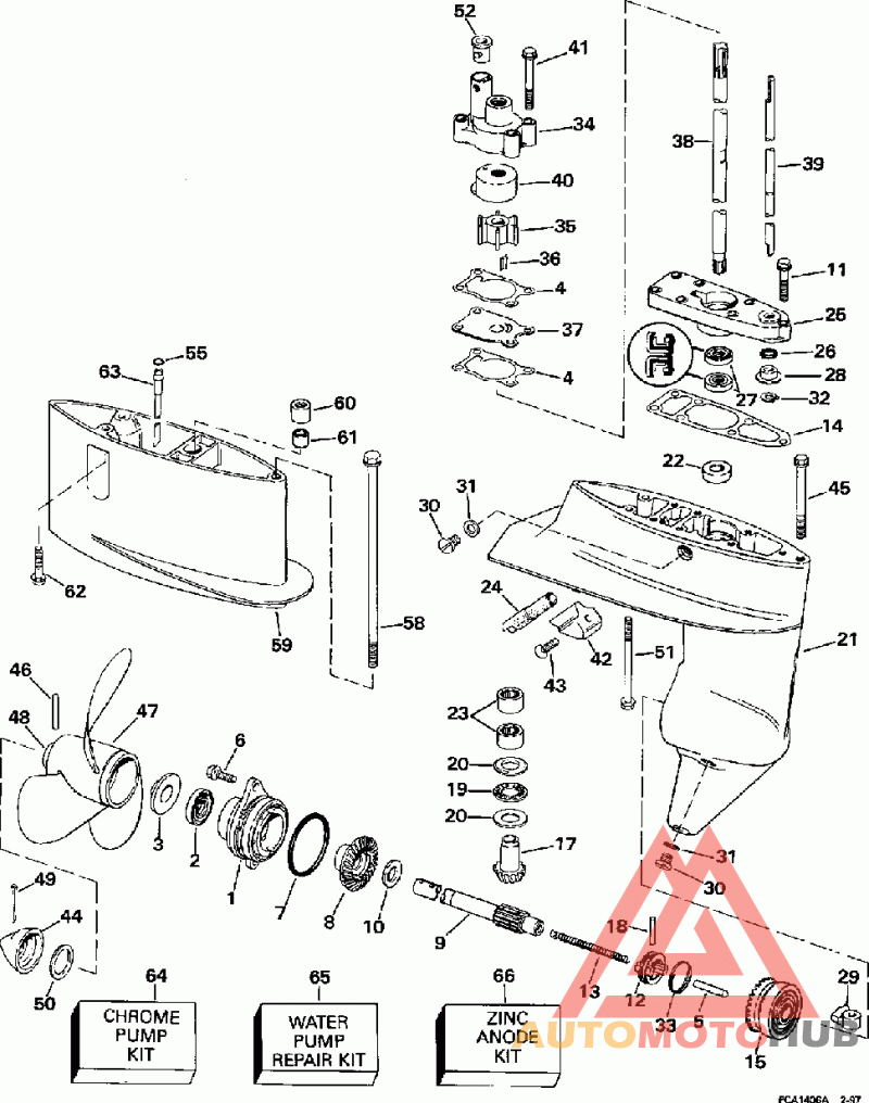
1
0434294
Деталь Housing Ay, Bushing
узнать
цену
узнать цену
2
0336493
Сальник
узнать
цену
узнать цену
3
0336414
Деталь Bushing, Flanged
узнать
цену
узнать цену
4
0325040
Деталь Gasket ( 5 Inch Longer Parts)
узнать
цену
узнать цену
5
0324623
Плунжер
узнать
цену
узнать цену
6
0333706
Винт
узнать
цену
узнать цену
7
0322494
Кольцо уплотнительное
узнать
цену
узнать цену
8
0396992
Деталь Reverse Gear
узнать
цену
узнать цену
9
0344200
Вал гребного винта
узнать
цену
узнать цену
10
0303361
Упорная шайба
узнать
цену
узнать цену
11
0333676
Винт
узнать
цену
узнать цену
12
0326340
Рычаг переключения
узнать
цену
узнать цену
13
0324624
Пружина
узнать
цену
узнать цену
14
0324637
Деталь Gasket ( 5 Inch Longer Parts)
узнать
цену
узнать цену
15
0438966
Деталь Gear Ay, Forward
узнать
цену
узнать цену
17
0336297
Деталь Gear, Pinion
узнать
цену
узнать цену
18
0324626
Штифт
узнать
цену
узнать цену
19
0388000
Деталь Thrust Brg Ay-pin
узнать
цену
узнать цену
20
0336296
Шайба
узнать
цену
узнать цену
21
0434281
Деталь Gearcase Ay
узнать
цену
узнать цену
22
0391048
Поднипник
узнать
цену
узнать цену
23
0386473
Подшипник
узнать
цену
узнать цену
24
0396200
Деталь Screen & Plug Ay
узнать
цену
узнать цену
25
0434152
Деталь Cover Ay, Gearcase
узнать
цену
узнать цену
26
0305242
Кольцо
узнать
цену
узнать цену
27
0324639
Деталь Seal-d-shaft
узнать
цену
узнать цену
28
0324642
Втулка
узнать
цену
узнать цену
29
0324615
Распределитель
узнать
цену
узнать цену
30
0307551
Пробка сливная
узнать
цену
узнать цену
30
0318544
Деталь Drain Screw
узнать
цену
узнать цену
31
0311598
Шайба
узнать
цену
узнать цену
32
0324616
Кольцо
узнать
цену
узнать цену
33
0324627
Седло
узнать
цену
узнать цену
34
0389577
Деталь Impeller Hsg
узнать
цену
узнать цену
35
0389576
Импиллер
узнать
цену
узнать цену
36
0331130
Шпонка
узнать
цену
узнать цену
37
0324640
Деталь Plate-imp Hsg
узнать
цену
узнать цену
38
0441115
Вертикальный вал 15"
узнать
цену
узнать цену
38
0441195
Деталь Driveshaft-20"
узнать
цену
узнать цену
39
0441181
Деталь Rod, Shift-15"
узнать
цену
узнать цену
39
0441194
Деталь Rod, Shift-20"
узнать
цену
узнать цену
40
0324641
Чашка крылчатки
узнать
цену
узнать цену
41
0331980
Винт
узнать
цену
узнать цену
42
0432397
Деталь Anode Kit
узнать
цену
узнать цену
43
0328725
Винт
узнать
цену
узнать цену
44
0324694
Деталь Cap-prop Shft
узнать
цену
узнать цену
45
0342540
Винт
узнать
цену
узнать цену
46
0324690
Деталь Drive Pin 5 Pk
узнать
цену
узнать цену
47
0778796
Деталь Prop, Al 8x7
узнать
цену
узнать цену
47
0778797
Деталь Prop, Al 8.5 X 9
узнать
цену
узнать цену
48
0389583
Деталь Prop Hub 4.5&7.5hp
узнать
цену
узнать цену
49
0306394
Деталь Cotter Pin 10 Pk
узнать
цену
узнать цену
50
0324689
Упорная шайба
узнать
цену
узнать цену
51
0324643
Винт
узнать
цену
узнать цену
52
0302497
Уплотнитель
узнать
цену
узнать цену
435542
0435542
Деталь Kit Ay, 5" Ext ( Not Shown 5 Inch Longer Parts)
узнать
цену
узнать цену
38
0337940
Деталь Driveshaft, 20" ( 5 Inch Longer Parts)
узнать
цену
узнать цену
39
0336060
Деталь Rod, Shift-20" ( 5 Inch Longer Parts)
узнать
цену
узнать цену
55
0202893
Кольцо уплотнительное
узнать
цену
узнать цену
58
0330247
Винт
узнать
цену
узнать цену
59
0396308
Деталь G-cse Ext Ay
узнать
цену
узнать цену
60
0310674
Деталь Bushing, Flat-style
узнать
цену
узнать цену
61
0326742
Гильца
узнать
цену
узнать цену
63
0320025
Деталь Extension Wtr Tube
узнать
цену
узнать цену
64
0390772
Деталь Chrome Pump Kit
узнать
цену
узнать цену
65
0396644
Деталь Wtr Pump Rep Kit
узнать
цену
узнать цену
2
0336493
Сальник
узнать
цену
узнать цену
3
0336414
Деталь Bushing, Flanged
узнать
цену
узнать цену
4
0325040
Деталь Gasket ( 5 Inch Longer Parts)
узнать
цену
узнать цену
4
0325040
Деталь Gasket ( 5 Inch Longer Parts)
узнать
цену
узнать цену
5
0324623
Плунжер
узнать
цену
узнать цену
6
0333706
Винт
узнать
цену
узнать цену
7
0322494
Уплотнительное кольцо
узнать
цену
узнать цену
8
0396992
Деталь Reverse Gear
узнать
цену
узнать цену
9
0344200
Вал
узнать
цену
узнать цену
11
0333676
Винт
узнать
цену
узнать цену
12
0326340
Рычаг переключения
узнать
цену
узнать цену
13
0324624
Пружина
узнать
цену
узнать цену
14
0324637
Деталь Gasket ( 5 Inch Longer Parts)
узнать
цену
узнать цену
14
0324637
Деталь Gasket ( 5 Inch Longer Parts)
узнать
цену
узнать цену
15
0438966
Деталь Gear Ay, Forward
узнать
цену
узнать цену
17
0336297
Деталь Gear, Pinion
узнать
цену
узнать цену
18
0324626
Штифт
узнать
цену
узнать цену
19
0388000
Деталь Thrust Brg Ay-pin
узнать
цену
узнать цену
20
0336296
Шайба
узнать
цену
узнать цену
21
0434281
Деталь Gearcase Ay
узнать
цену
узнать цену
22
0391048
Поднипник
узнать
цену
узнать цену
23
0386473
Подшипник
узнать
цену
узнать цену
24
0396200
Деталь Screen & Plug Ay
узнать
цену
узнать цену
25
0434152
Деталь Cover Ay, Gearcase
узнать
цену
узнать цену
26
0305242
Кольцо
узнать
цену
узнать цену
27
0324639
Деталь Seal-d-shaft
узнать
цену
узнать цену
28
0324642
Втулка
узнать
цену
узнать цену
29
0324615
Распределитель
узнать
цену
узнать цену
30
0307551
Деталь Drain Fill Plg 10p (010 Per Pack)
узнать
цену
узнать цену
30
0318544
Деталь Drain Screw
узнать
цену
узнать цену
31
0311598
Деталь Washer-10 Pk (010 Per Pack)
узнать
цену
узнать цену
32
0324616
Кольцо
узнать
цену
узнать цену
33
0324627
Деталь Retainer(spring)
узнать
цену
узнать цену
34
0389577
Деталь Impeller Hsg
узнать
цену
узнать цену
35
0389576
Импиллер
узнать
цену
узнать цену
36
0331130
Шпонка
узнать
цену
узнать цену
37
0324640
Деталь Plate-imp Hsg
узнать
цену
узнать цену
38
0441115
Вертикальный вал 15"
узнать
цену
узнать цену
38
0441195
Деталь Driveshaft-20"
узнать
цену
узнать цену
38
0337940
Деталь Driveshaft, 20" ( 5 Inch Longer Parts)
узнать
цену
узнать цену
39
0336060
Деталь Rod, Shift-20" ( 5 Inch Longer Parts)
узнать
цену
узнать цену
39
0441181
Деталь Rod, Shift-15"
узнать
цену
узнать цену
40
0324641
Чашка крылчатки
узнать
цену
узнать цену
41
0331980
Винт
узнать
цену
узнать цену
42
0432397
Деталь Anode Kit
узнать
цену
узнать цену
43
0328725
Винт
узнать
цену
узнать цену
44
0324694
Деталь Cap-prop Shft
узнать
цену
узнать цену
45
0342540
Винт
узнать
цену
узнать цену
46
0324690
Деталь Drive Pin 5 Pk (005 Per Pack)
узнать
цену
узнать цену
47
0778796
Деталь Prop, Al 8x7/pin
узнать
цену
узнать цену
47
0778797
Деталь Prop, Al 8.5 X 9
узнать
цену
узнать цену
49
0306394
Деталь Cotter Pin 10 Pk (010 Per Pack)
узнать
цену
узнать цену
50
0324689
Упорная шайба
узнать
цену
узнать цену
51
0324643
Винт
узнать
цену
узнать цену
52
0302497
Деталь Grommet (005 Per Pack)
узнать
цену
узнать цену
55
0202893
Деталь O-ring (005 Per Pack)
узнать
цену
узнать цену
57
0302497
Деталь Grommet (005 Per Pack)
узнать
цену
узнать цену
58
0330247
Винт
узнать
цену
узнать цену
59
0396308
Деталь G-cse Ext Ay
узнать
цену
узнать цену
60
0310674
Деталь Bushing, Flat-style
узнать
цену
узнать цену
61
0326742
Гильца
узнать
цену
узнать цену
62
0333676
Винт
узнать
цену
узнать цену
63
0320025
Деталь Extension Wtr Tube
узнать
цену
узнать цену
65
0396644
Деталь Wtr Pump Rep Kit
узнать
цену
узнать цену
66
0432397
Деталь Anode Kit
узнать
цену
узнать цену
0435542
0435542
Деталь Kit Ay, 5" Ext ( Not Shown 5 Inch Longer Parts)
узнать
цену
узнать цену
{modalWnd}