| # | код | цена |
|---|---|---|
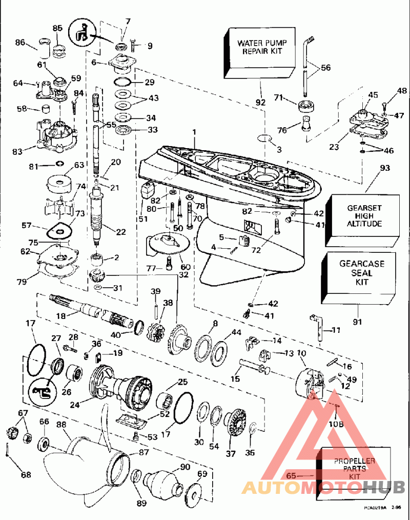
| 438045 | 5005401 Деталь G-case V6/std/offs ( Not Shown) | узнать ценуузнать цену |
| 1 | 5007022 Деталь Gcase & Brg Ay, "o" | узнать ценуузнать цену |
| 2 | 0387817 Деталь Roller Brg Ay | узнать ценуузнать цену |
| 3 | 0338778 Кольцо стопорное | узнать ценуузнать цену |
| 4 | 0337061 Винт | узнать ценуузнать цену |
| 5 | 0337778 Деталь Screen, Water Inlet | узнать ценуузнать цену |
| 5 | 0339247 Деталь Screen, Water Inlet ( Optional) | узнать ценуузнать цену |
| 6 | 0439476 Деталь Ds Brg Hsg&seal Ay | узнать ценуузнать цену |
| 7 | 0341280 Деталь Seal, Driveshaft | узнать ценуузнать цену |
| 8 | 0389042 Деталь Thrust Brg-fwd Gr | узнать ценуузнать цену |
| 9 | 0317624 Винт | узнать ценуузнать цену |
| 10 | 0389455 Деталь Hsg.& Bearing Ay | узнать ценуузнать цену |
| 10B | 0331880 Штифт | узнать ценуузнать цену |
| 11 | 0915954 Деталь Detent | узнать ценуузнать цену |
| 12 | 0911962 Пружина | узнать ценуузнать цену |
| 13 | 0334163 Деталь Cradle-shift | узнать ценуузнать цену |
| 14 | 0322938 Деталь Shifter-lever | узнать ценуузнать цену |
| 15 | 0322941 Деталь Shaft-shifter | узнать ценуузнать цену |
| 16 | 0328825 Деталь Pin-shifter Arm | узнать ценуузнать цену |
| 17 | 0305123 Кольцо уплотнительное | узнать ценуузнать цену |
| 18 | 5004765 Деталь Propshaft Ay, Serv | узнать ценуузнать цену |
| 19 | 0333957 Деталь Retaining Tab | узнать ценуузнать цену |
| 20 | 0311538 Деталь Pin, Roll | узнать ценуузнать цену |
| 21 | 0338504 Деталь Retainer, Dr Sft | узнать ценуузнать цену |
| 22 | 0345905 Деталь Driveshaft, Lower | узнать ценуузнать цену |
| 23 | 0352165 Прокладка | узнать ценуузнать цену |
| 24 | 5004257 Деталь Hsg Ay, Propshaft | узнать ценуузнать цену |
| 25 | 0382407 Подшипник игольчатый | узнать ценуузнать цену |
| 26 | 0436752 Подшипник игольчатый | узнать ценуузнать цену |
| 27 | 0341281 Деталь Seal, Propshaft | узнать ценуузнать цену |
| 28 | 0350271 Деталь Screw, Brg Carrier | узнать ценуузнать цену |
| 29 | 0314728 Кольцо | узнать ценуузнать цену |
| 30 | 0314731 Упорная шайба | узнать ценуузнать цену |
| 31 | 0314730 Деталь Nut Pinion | узнать ценуузнать цену |
| 32 | 5004938 Деталь Gearset, V6 Fwd&pin | узнать ценуузнать цену |
| 33 | 0387656 Деталь Thrust Brg Ay | узнать ценуузнать цену |
| 34 | 0327656 Упорная шайба | узнать ценуузнать цену |
| 35 | 0336565 Шайба | узнать ценуузнать цену |
| 36 | 0328743 Шайба | узнать ценуузнать цену |
| 37 | 0336561 Деталь Gear, Reverse .54 | узнать ценуузнать цену |
| 38 | 0337774 Деталь Shifter-clutch Dog | узнать ценуузнать цену |
| 39 | 0313448 Штифт | узнать ценуузнать цену |
| 40 | 0324369 Пружина | узнать ценуузнать цену |
| 41 | 0318544 Деталь Drain Screw | узнать ценуузнать цену |
| 42 | 0311598 Шайба | узнать ценуузнать цену |
| 43 | 0323362 Деталь Shim-pinion-003 | узнать ценуузнать цену |
| 43 | 0323361 Деталь Shim-pinion-004 | узнать ценуузнать цену |
| 43 | 0314745 Деталь Shim 005 | узнать ценуузнать цену |
| 44 | 0327669 Упорная шайба | узнать ценуузнать цену |
| 45 | 5006241 Деталь Cover Ay, Shift Rod | узнать ценуузнать цену |
| 46 | 0318372 Кольцо уплотнительное | узнать ценуузнать цену |
| 47 | 0328702 Шайба | узнать ценуузнать цену |
| 48 | 0302325 Винт | узнать ценуузнать цену |
| 49 | 0160084 Шарик | узнать ценуузнать цену |
| 50 | 0328096 Деталь Screw, Anode | узнать ценуузнать цену |
| 51 | 0436745 Деталь Anode&insert Ay | узнать ценуузнать цену |
| 52 | 0431708 Анодная пластина | узнать ценуузнать цену |
| 53 | 0908158 Винт | узнать ценуузнать цену |
| 54 | 0382408 Подшипник | узнать ценуузнать цену |
| 55 | 5007671 Деталь Upper D/s Kit 20" ( 20 In. (508mm) Transom Models Only) | узнать ценуузнать цену |
| 55 | 5007672 Деталь Driveshaft Ay ( 25 In. (635mm) Transom Models Only) | узнать ценуузнать цену |
| 56 | 0329864 Деталь Shift Rod - 20" ( 20 In. (508mm) Transom Models Only) | узнать ценуузнать цену |
| 56 | 0329865 Деталь Shift Rod, 25" ( 25 In. (635mm) Transom Models Only) | узнать ценуузнать цену |
| 57 | 0302035 Деталь O Ring ( Contents Of Water Pump Kit) | узнать ценуузнать цену |
| 58 | 0314008 Деталь Grommet ( Contents Of Water Pump Kit) | узнать ценуузнать цену |
| 59 | 0338893 Деталь Cover, Impeller Hsg ( Contents Of Water Pump Kit) | узнать ценуузнать цену |
| 60 | 0338742 Деталь Tab, Trim-std | узнать ценуузнать цену |
| 61 | 0320943 Деталь Grommet ( Contents Of Water Pump Kit) | узнать ценуузнать цену |
| 62 | 0338552 Деталь Plate Water Pump ( Chrome Plated) | узнать ценуузнать цену |
| 63 | 0338551 Деталь Cup Imp Housing ( Chrome Plated) | узнать ценуузнать цену |
| 64 | 0306643 Деталь Screw ( Contents Of Water Pump Kit) | узнать ценуузнать цену |
| 65 | 0434153 Деталь Kt Ay, V6prop Hdwe | узнать ценуузнать цену |
| 66 | 0320570 Деталь Spacer Prop Nut | узнать ценуузнать цену |
| 67 | 0398042 Деталь Prop Nut & Keeper | узнать ценуузнать цену |
| 68 | 0306394 Деталь Cotter Pin 10 Pk | узнать ценуузнать цену |
| 69 | 0126870 Деталь Bushing, Thrust | узнать ценуузнать цену |
| 69 | 0128777 Деталь Bushing, Thrust | узнать ценуузнать цену |
| 70 | 0331998 Винт | узнать ценуузнать цену |
| 71 | 0321008 Деталь Grommet Exh Hsg ( Contents Of Water Pump Kit) | узнать ценуузнать цену |
| 72 | 0331999 Винт | узнать ценуузнать цену |
| 73 | 0331353 Деталь Seal ( Contents Of Water Pump Kit) | узнать ценуузнать цену |
| 74 | 5001593 Деталь Kit Ay, Impeller ( Contents Of Water Pump Kit) | узнать ценуузнать цену |
| 75 | 0331107 Деталь Imp Key ( Contents Of Water Pump Kit) | узнать ценуузнать цену |
| 76 | 0321122 Деталь Spacer-shift Rod ( 25 In. (635mm) Transom Models Only) | узнать ценуузнать цену |
| 77 | 0313715 Винт | узнать ценуузнать цену |
| 78 | 0330265 Шайба | узнать ценуузнать цену |
| 79 | 0338484 Деталь Gasket, Wtr Pmp 5pk ( Contents Of Water Pump Kit) | узнать ценуузнать цену |
| 80 | 0330263 Винт | узнать ценуузнать цену |
| 81 | 0331188 Деталь O-ring-thermostat ( Contents Of Water Pump Kit) | узнать ценуузнать цену |
| 82 | 0330266 Шайба | узнать ценуузнать цену |
| 83 | 0435990 Деталь Housing Ay, Implr ( 20 In. (508mm) Transom Models Only Contents Of Water Pump Kit) | узнать ценуузнать цену |
| 83 | 0435959 Деталь Housing Ay, Implr ( 25 In. (635mm) Transom Models Only Contents Of Water Pump Kit) | узнать ценуузнать цену |
| 85 | 0338601 Деталь Grommet ( 25 In. (635mm) Transom Models Only Contents Of Water Pump Kit) | узнать ценуузнать цену |
| 86 | 0354580 Деталь Sleeve ( 25 In. (635mm) Transom Models Only Contents Of Water Pump Kit) | узнать ценуузнать цену |
| 87 | 0765188 Деталь Prop Ay, Al 14.5x19 ( Refer To Omc Systematched Parts & Accessories Catalog For Propeller Chart) | узнать ценуузнать цену |
| 88 | 0332394 Деталь Converging Ring | узнать ценуузнать цену |
| 89 | 0313926 Гильца | узнать ценуузнать цену |
| 90 | 0387157 Деталь Prop Hub, 15 Spline | узнать ценуузнать цену |
| 90 | 0175401 Деталь Bushing Ay, Prop | узнать ценуузнать цену |
| 90 | 0431730 Деталь Prop Hub Shtr | узнать ценуузнать цену |
| 91 | 5006373 Деталь Kit Ay, Seal-gc | узнать ценуузнать цену |
| 92 | 5001594 Деталь Kit Ay, Water Pump ( 20 In. (508mm) Transom Models Only) | узнать ценуузнать цену |
| 92 | 5001595 Деталь Kit Ay, Water Pump ( 25 In. (635mm) Transom Models Only) | узнать ценуузнать цену |
| 93 | 0438493 Деталь Gearset Hi-alt V6 ( Optional) | узнать ценуузнать цену |