OEM ЗАПЧАСТИ

  info@automotohub.ru   8 (916) 294-84-77
  О Компании   Оплата и Доставка   Помощь   Обратная связь

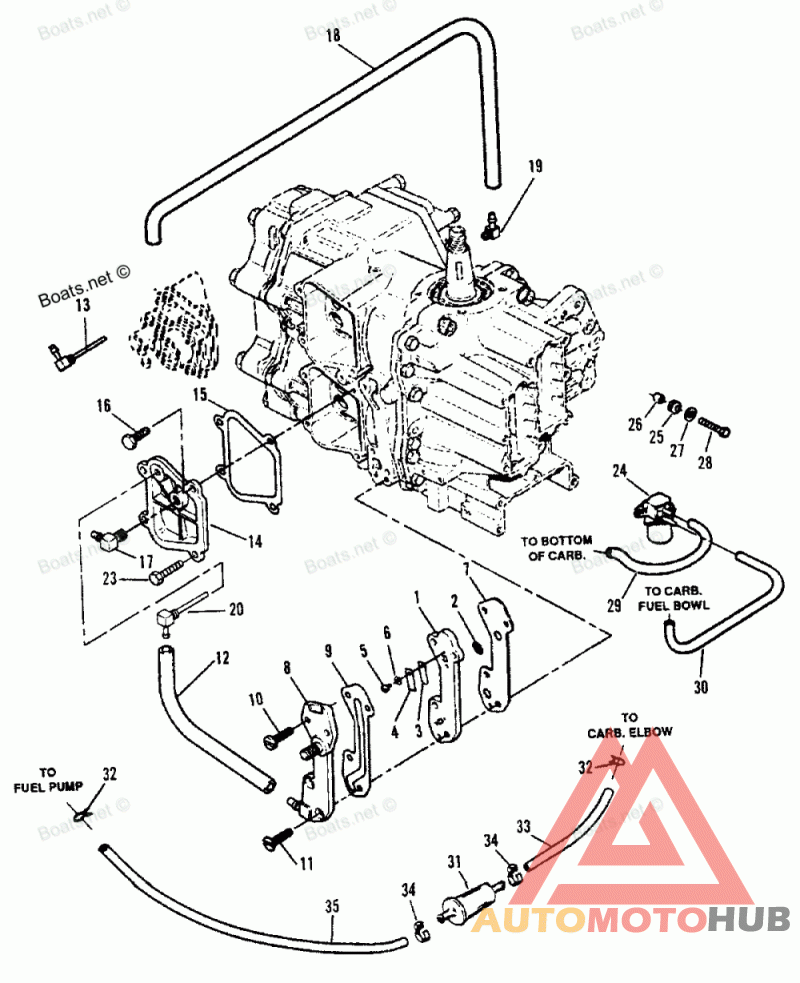
Recirculation And Prime System (92c) E000001,e065371

для Force H0507X92C
Force
Recirculation And Prime System (92c) E000001,e065371
#кодцена
1
F3A433757
Деталь REED PLATE ASSEMBLY, CYLINDER DRAIN
узнать
цену
узнать цену
2
F93811
Водозаборная решетка
узнать
цену
узнать цену
3
F18160-3
Деталь REED
узнать
цену
узнать цену
4
F93920
Деталь STOP, REED
узнать
цену
узнать цену
5
F1286
Деталь SCREW (4-40 X 3/16")
узнать
цену
узнать цену
6
18552
Шайба
узнать
цену
узнать цену
7
F93748-1
Деталь GASKET, CYLINDER DRAIN REED PLATE
узнать
цену
узнать цену
8
FA433471
Деталь COVER ASSEMBLY, CYLINDER DRAIN
узнать
цену
узнать цену
9
F93472-1
Деталь GASKET, CYLINDER DRAIN COVER
узнать
цену
узнать цену
10
F1446
Деталь SCREW (1/4-20 X 1")
узнать
цену
узнать цену
11
F1136
Деталь SCREW (1/4-20 X 1")
узнать
цену
узнать цену
13
F404314
Колено
узнать
цену
узнать цену
14
817790A1
Деталь COVER KIT, TRANSFER PORT
узнать
цену
узнать цену
15
820500
Деталь GASKET, TRANSFER PORT
узнать
цену
узнать цену
16
98254
Деталь SCREW (1/4-20 X 5/8")
узнать
цену
узнать цену
17
F84314-2
Колено
узнать
цену
узнать цену
19
F463314
Деталь ELBOW (W/CHECK VALVE)
узнать
цену
узнать цену
20
F404314
Колено
узнать
цену
узнать цену
23
49668
Деталь SCREW (1/4-20 X 3/4")
узнать
цену
узнать цену
24
819503
Деталь SOLENOID, PRIMER
узнать
цену
узнать цену
25
F694504
Уплотнитель резиновый
узнать
цену
узнать цену
26
F694359
Проставка
узнать
цену
узнать цену
27
35044
Шайба
узнать
цену
узнать цену
28
86885
Деталь SCREW (1/4-20 X 1-1/2")
узнать
цену
узнать цену
31
816296
Фильтр топливный
узнать
цену
узнать цену
32
816311
Деталь CABLE TIE (8")
узнать
цену
узнать цену
34
816311
Деталь CABLE TIE (8")
узнать
цену
узнать цену
--
56762
Деталь CABLE TIE (4")
узнать
цену
узнать цену
--
819445A7
Деталь POWERHEAD ASSEMBLY
узнать
цену
узнать цену
--
818152A7
Деталь POWERHEAD ASSEMBLY
узнать
цену
узнать цену
--
820467A1
Деталь POWERHEAD GASKET SET
узнать
цену
узнать цену
{modalWnd}