OEM ЗАПЧАСТИ

  info@automotohub.ru   8 (916) 294-84-77
  О Компании   Оплата и Доставка   Помощь   Обратная связь
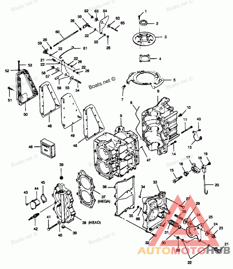
Power Head
#кодцена
1
F1107
Деталь FILL, HEAD SCREW, 1/4 - 20 X 3/4
узнать
цену
узнать цену
2
F458146
Деталь SEAL, CRANKSHAFT UPPER MAIN
узнать
цену
узнать цену
3
FA458144
Деталь CAGE, CRANKSHAFT BEARING
узнать
цену
узнать цену
4
F458277
Деталь GASKET, CRANKSHAFT BEARING CAGE
узнать
цену
узнать цену
5
817833A1
Деталь MAGNETO STATOR RING
узнать
цену
узнать цену
7
F1727
Деталь PLASTI-RIVET
узнать
цену
узнать цену
8
F184122-1
Деталь SEAL, CRANKCASE PARTING LINE
узнать
цену
узнать цену
9
FA683010
Деталь CYLINDER W/CRANKCASE COVER
узнать
цену
узнать цену
-
817920A2
Силовой агрегат без навесного оборудования, коллекторов, маховика, поддона и головки блока цилиндров
узнать
цену
узнать цену
10
F1864
Деталь HEX HEAD SCREW, 1/4 - 20 X 3/4
узнать
цену
узнать цену
11
F2005
Деталь HEX SOCKET HEAD CAP SCREW, 5/16 - 18 X 2-3/4
узнать
цену
узнать цену
13
F460317-2
Деталь CLAMP, SOLENOID FOR ELECTRIC START
узнать
цену
узнать цену
14
F2013
Деталь HEX SOCKET HEAD CAP SCREW, 5/16 - 18 X 1-1/4
узнать
цену
узнать цену
15
F85026
Деталь SWIVEL, SHIFT INTERLOCK LEVER
узнать
цену
узнать цену
16
F307818
Подшипник
узнать
цену
узнать цену
17
F458977-3
Деталь LEVER, SHIFT INTERLOCK
узнать
цену
узнать цену
18
F84035-2
Деталь BEARING, SHIFT INTERLOCK ROD
узнать
цену
узнать цену
19
F84026
Деталь SWIVEL, SHIFT INTERLOCK BEARING
узнать
цену
узнать цену
20
817805A1
Деталь ROD, SHIFT INTERLOCK
узнать
цену
узнать цену
21
F98273
Деталь STUD, ROD END CONNECTOR
узнать
цену
узнать цену
22
F8058
Деталь INTERNAL TOOTH LOCKWASHER
узнать
цену
узнать цену
23
F7004
Деталь LOCK NUT, 3/8 - 16
узнать
цену
узнать цену
24
F269052
Деталь BEARING SHIFT LEVER
узнать
цену
узнать цену
25
817808A2
Деталь LEVER, GEAR SHIFT
узнать
цену
узнать цену
26
F1513
Деталь HEX NUT, 10 - 32
узнать
цену
узнать цену
27
F1110
Деталь HEX HEAD SCREW, 1/4 - 20 X 5/8
узнать
цену
узнать цену
28
F440209
Деталь STUD, GEAR SHIFT LEVER
узнать
цену
узнать цену
29
F2014
Деталь PLAIN WASHER
узнать
цену
узнать цену
30
F458727
Деталь BALL, SHIFT LEVER DETENT
узнать
цену
узнать цену
31
F183300
Деталь SPRING, SHIFT DETENT
узнать
цену
узнать цену
32
F1922
Деталь HEX CAP SCREW, 1/4 - 20 X 5/8
узнать
цену
узнать цену
33
FA683222
Деталь COVER, TRANSFER PORT W/VALVES, SCREENS & STUD
узнать
цену
узнать цену
34
817741A1
Деталь VALVE CHECK
узнать
цену
узнать цену
35
F429811
Деталь SCREEN, CYLINDER DRAIN
узнать
цену
узнать цену
36
F458223
Деталь GASKET, TRANSFER PORT COVER
узнать
цену
узнать цену
37
F513529
Прокладка
узнать
цену
узнать цену
38
817843A1
Головка цилиндра
узнать
цену
узнать цену
39
F458109
Деталь PLUG, CYLINDER HEAD
узнать
цену
узнать цену
40
F1739
Деталь PLAIN WASHER
узнать
цену
узнать цену
41
F1882
Деталь SCREW, 5/16 - 18 X 2-1/8
узнать
цену
узнать цену
42
82370M
Деталь SPARK PLUG (L82C)
узнать
цену
узнать цену
43
F1854
Деталь HEX CAP SCREW, 1/4 - 20 X 5/8
узнать
цену
узнать цену
44
F458066
Крышка термостата
узнать
цену
узнать цену
45
F458067
Деталь GASKET, THERMOSTAT COVER
узнать
цену
узнать цену
46
FG1014-1
Деталь GASKET SET -
узнать
цену
узнать цену
-
F84792
Деталь *GASKET, FUEL PUMP VALVE
узнать
цену
узнать цену
-
F433168
Деталь *GASKET, CARBURETOR ADAPTER
узнать
цену
узнать цену
-
F433406
Деталь *GASKET, DEFLECTOR PLATE
узнать
цену
узнать цену
-
F438617
Деталь *GASKET, FUEL PUMP BOWL
узнать
цену
узнать цену
-
F438760
Деталь *GASKET, FUEL PUMP
узнать
цену
узнать цену
-
F458067
Деталь *GASKET, THERMOSTAT COVER
узнать
цену
узнать цену
-
F458154
Деталь *GASKET, EXHAUST PORT PLATE
узнать
цену
узнать цену
-
F458223
Деталь *GASKET, TRANSER PORT COVER
узнать
цену
узнать цену
-
F458277
Деталь *GASKET, CRANKSHAFT BEARING CAGE
узнать
цену
узнать цену
-
F458279
Деталь *GASKET, CYLINDER EXHAUST
узнать
цену
узнать цену
-
F458453
Деталь *GASKET, LEG EXHAUST
узнать
цену
узнать цену
-
F513529
Деталь *GASKET, CYLINDER HEAD
узнать
цену
узнать цену
-
F85906
Деталь *GASKET, CARBURETOR
узнать
цену
узнать цену
-
F683279
Деталь *GASKET, CYLINDER EXHAUST
узнать
цену
узнать цену
47
F8559
Палец
узнать
цену
узнать цену
48
F458154
Деталь GASKET, EXHAUST PORT PLATE
узнать
цену
узнать цену
49
F458151
Деталь EXHAUST PORT PLATE
узнать
цену
узнать цену
50
F458152-1
Деталь EXHAUST PORT COVER
узнать
цену
узнать цену
51
F1532
Деталь HEX HEAD SCREW, 1/4 - 20 X 1
узнать
цену
узнать цену
52
F1341
Деталь HEX NUT
узнать
цену
узнать цену
53
F1072
Деталь HEAD SCREW, 1/4 - 20 X 1-3/4
узнать
цену
узнать цену
54
F286440
Деталь STUD, MAGNETO CONTROL LEVER
узнать
цену
узнать цену
55
F183813
Подшипник
узнать
цену
узнать цену
56
F2A458081
Деталь MAGNETO CONTROL LEVER
узнать
цену
узнать цену
57
F286282
Шайба
узнать
цену
узнать цену
58
F1803
Деталь STOP NUT
узнать
цену
узнать цену
59
8177471
Деталь JOINT, BALL ASSEMBLY
узнать
цену
узнать цену
60
F458502
Деталь ROD, THROTTLE CAM
узнать
цену
узнать цену
61
F458509
Деталь LINK, MAGNETO STATOR
узнать
цену
узнать цену
62
F7008
Деталь LOCK NUT
узнать
цену
узнать цену
63
F269319
Деталь BEARING, THROTTLE CAM
узнать
цену
узнать цену
64
F458192
Деталь THROTTLE CAM
узнать
цену
узнать цену
65
F433209-1
Деталь STUD, THROTTLE CAM
узнать
цену
узнать цену
66
F213740-1
Деталь VALVE, CYLINDER DRAIN
узнать
цену
узнать цену
{modalWnd}