| # | код | цена |
|---|---|---|
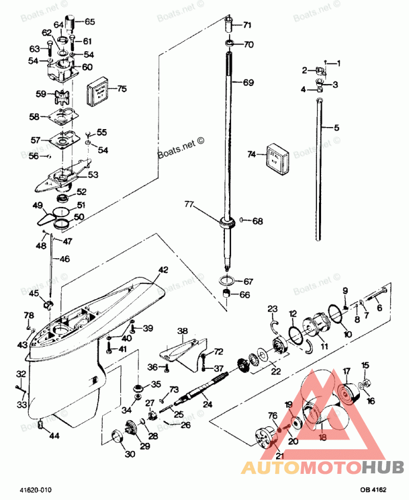
| 1 | F1705 Деталь HEX CAP SCREW, 1/4 - 20 X 3/4 S.S. | узнать ценуузнать цену |
| 2 | F85117 Деталь BRACKET, WATER LINE | узнать ценуузнать цену |
| 3 | F84342 Деталь SEAL, INLET WATER LINE UPPER | узнать ценуузнать цену |
| 4 | F523899 Деталь GROMMET, WATER ALINE | узнать ценуузнать цену |
| 5 | F523244 Деталь INLET WATER LINE | узнать ценуузнать цену |
| 6 | F1885 Деталь HEX CAP SCREW, 5/16 - 18 X 4-1/4 S.S. | узнать ценуузнать цену |
| 7 | F1907 Деталь PLAIN WASHER, S.S. | узнать ценуузнать цену |
| 8 | F50342-1 Деталь SEAL, BEARING CAGE BOLTS | узнать ценуузнать цену |
| 9 | F506118 Деталь SEAL, PROPELLER SHAFT | узнать ценуузнать цену |
| 10 | F24278 Деталь SEAL, O-RING PROPELLER SHAFT SPOOL | узнать ценуузнать цену |
| 11 | F2A523239 Деталь SPOOL, PROPELLER SHAFT BEARING | узнать ценуузнать цену |
| 12 | F84305 Деталь SEAL, PROPELLER SHAFT BEARING SPOOL | узнать ценуузнать цену |
| 15 | F1788 Деталь STOP NUT | узнать ценуузнать цену |
| 16 | F1866 Деталь PLAIN WASHER | узнать ценуузнать цену |
| 17 | F532299 Деталь WASHER, PROPELLER SPLINE | узнать ценуузнать цену |
| 18 | FPS623 Деталь PROPELLER (13 X 17) MODELS 856X7B & 856Y7B | узнать ценуузнать цену |
FPS625 Деталь PROPELLER (13 X 19) MODELS 856F7B, C856F7B, 858F7B & 858V7B | узнать ценуузнать цену | |
| 19 | F523099-1 Деталь SPACER, PROPELLER | узнать ценуузнать цену |
| 20 | F1112 Деталь FILL HD. SCREW, 1/4 - 20 X 7/8 | узнать ценуузнать цену |
| 21 | FA523485 Деталь ANTI-CORROSION ANODE | узнать ценуузнать цену |
| 22 | F2A498662 Деталь BEVEL GEAR REAR W/BEARING CAGE, SPACER AND BEARING | узнать ценуузнать цену |
| 23 | F523411 Стопорное кольцо | узнать ценуузнать цену |
| 24 | 817962A2 Вал гребного винта | узнать ценуузнать цену |
| 25 | F84871-1 Деталь PIN, GEAR SHIFT | узнать ценуузнать цену |
| 26 | F1713 Пружинный Штифт | узнать ценуузнать цену |
| 27 | F84521-2 Муфта сцепления | узнать ценуузнать цену |
| 28 | F1936 Деталь SPACER, BEVEL GEAR FRONT .059 | узнать ценуузнать цену |
| - | F1937 Деталь SPACER, BEVEL GEAR FRONT .062 | узнать ценуузнать цену |
| - | F1938 Деталь SPACER, BEVEL GEAR FRONT .065 | узнать ценуузнать цену |
| - | F1939 Деталь SPACER, BEVEL GEAR FRONT .068 | узнать ценуузнать цену |
| - | F1940 Деталь SPACER, BEVEL GEAR FRONT .071 | узнать ценуузнать цену |
| - | F1941 Деталь SPACER, BEVEL GEAR FRONT .074 | узнать ценуузнать цену |
| - | F1942 Деталь SPACER, BEVEL GEAR FRONT .077 | узнать ценуузнать цену |
| - | F2113 Деталь SPACER, BEVEL GEAR FRONT .080 | узнать ценуузнать цену |
| - | F2114 Деталь SPACER, BEVEL GEAR FRONT .083 | узнать ценуузнать цену |
| - | F2115 Деталь SPACER, BEVEL GEAR FRONT .086 | узнать ценуузнать цену |
| - | F2116 Деталь SPACER, BEVEL GEAR FRONT .089 | узнать ценуузнать цену |
| - | F2121 Деталь SPACER, BEVEL GEAR FRONT .057 | узнать ценуузнать цену |
| - | F2122 Деталь SPACER, BEVEL GEAR FRONT .054 | узнать ценуузнать цену |
| 29 | 818062A3 Деталь BEVEL GEAR FRONT W/BEARING | узнать ценуузнать цену |
| 30 | F523813 Деталь BEARING CUP | узнать ценуузнать цену |
| 32 | F498891 Деталь PIN, GEAR SHIFT ARM | узнать ценуузнать цену |
| 33 | F498618 Уплотнение | узнать ценуузнать цену |
| 34 | F523188 Деталь NUT, BEVEL PINION RETAINING | узнать ценуузнать цену |
| 35 | 817830A2 Деталь BEVEL PINION GEAR | узнать ценуузнать цену |
| 36 | F438930 Деталь RETAINER, SNOUT | узнать ценуузнать цену |
| 37 | F1994 Деталь HEX SOCKET HD. CAP SCREW, 5/16 - 18 X 1 | узнать ценуузнать цену |
| 38 | F523116-1 Деталь EXHAUST SNOUT | узнать ценуузнать цену |
| 39 | F1858 Деталь HEX CAP SCREW, 5/16 - 18 X 1 | узнать ценуузнать цену |
| 40 | F8096 Деталь SPRING LOCKWASHER | узнать ценуузнать цену |
| 41 | F1491 Деталь HEX CAP SCREW, 5/16 - 18 X 1 | узнать ценуузнать цену |
| 42 | FA523054 Деталь GEAR HOUSING W/DRIVESHAFT BEARING LWR,ILLUS. 30, 31, 43 & 44 | узнать ценуузнать цену |
| - | FC663054 Деталь GEAR HOUSING COMPLETE. | узнать ценуузнать цену |
| 43 | F8077 Деталь WASHER, GEAR HOUSING PLUG | узнать ценуузнать цену |
| 44 | FA523109 Деталь PLUG, GEAR HOUSING | узнать ценуузнать цену |
| 45 | FA84621-1 Деталь COUPLING, GEAR SHIFT ARM W/BUSHING | узнать ценуузнать цену |
| 46 | F523705 Деталь GEAR SHIFT ROD, LOWER | узнать ценуузнать цену |
| 47 | F1015 Шплинт | узнать ценуузнать цену |
| 48 | F85372 Деталь PIN, GEAR SHIFT ROD, LOWER | узнать ценуузнать цену |
| 49 | F523555 Деталь SEAL, O-RING - GEAR HOUSING COVER | узнать ценуузнать цену |
| 50 | F523961 Кольцо уплотнительное | узнать ценуузнать цену |
| 51 | F74305 Деталь SEAL, DRIVESHAFT BEARING CAGE | узнать ценуузнать цену |
| 52 | F506118 Деталь SEAL, DRIVESHAFT | узнать ценуузнать цену |
| 53 | F2A550706 Деталь GEAR HOUSING COVER | узнать ценуузнать цену |
| 54 | F8083 Деталь SPRING LOCKWASHER | узнать ценуузнать цену |
| 55 | F1999 Деталь HEX CAP SCREW, 1/4 - 20 X 7/8 S.S. | узнать ценуузнать цену |
| 56 | F338618-1 Деталь SEAL, GEAR SHIFT ROD | узнать ценуузнать цену |
| 57 | F523031 Прокладка водяной помпы | узнать ценуузнать цену |
| 58 | F523562 Деталь WATER PUMP BACK PLATE | узнать ценуузнать цену |
| 59 | F523065-1 Деталь WATER PUMP IMPELLER | узнать ценуузнать цену |
| 60 | 817853A1 Деталь WATER PUMP BODY | узнать ценуузнать цену |
| 61 | F1990 Деталь HEX CAP SCREW, 1/4 - 20 X 1-5/8 S.S. | узнать ценуузнать цену |
| 62 | F480388 Деталь DISC, WATER PUMP LOCATING | узнать ценуузнать цену |
| 63 | F1425 Деталь HEX CAP SCREW, 1/4 - 20 X 2-5/8 S.S. | узнать ценуузнать цену |
| 64 | F351307 Сальник водяного насоса | узнать ценуузнать цену |
| 65 | FA523735 Деталь SEAL, INLET WATER LINE LOWER | узнать ценуузнать цену |
| 66 | F523057 Деталь BEARING, DRIVESHAFT LOWER | узнать ценуузнать цену |
| 67 | F9106 Деталь SHIM, DRIVESHAFT BEARING UPPER .003 - BRASS | узнать ценуузнать цену |
| - | F9095 Деталь SHIM, DRIVESHAFT BEARING UPPER .005 - SILVER | узнать ценуузнать цену |
| - | F9097 Деталь SHIM, DRIVESHAFT BEARING UPPER .010 - BLACK | узнать ценуузнать цену |
| 68 | F523498 Деталь DRIVE KEY, WATER PUMP | узнать ценуузнать цену |
| 69 | 817967A6 Деталь DRIVESHAFT | узнать ценуузнать цену |
| 70 | F438271 Деталь RETAINER, CRANKSHAFT SPLINE SEAL | узнать ценуузнать цену |
| 71 | F438129 Деталь SEAL, DRIVESHAFT SPLINE | узнать ценуузнать цену |
| 72 | F1856 Деталь PLAIN WASHER | узнать ценуузнать цену |
| 73 | F90619-2 Вилка карданного вала | узнать ценуузнать цену |
| 74 | FK1063-2 Комплект сальников | узнать ценуузнать цену |
| - | F50342-1 Деталь BEARING CAGE BOLT SEAL | узнать ценуузнать цену |
| - | F506118 Деталь PROPELLER SHAFT SEAL | узнать ценуузнать цену |
| - | F24278 Деталь PROPELLER SHAFT SPOOL SEAL | узнать ценуузнать цену |
| - | F84305 Деталь PROPELLER SHAFT SPOOL SEAL | узнать ценуузнать цену |
| - | F498618 Деталь GEAR SHIFT ARM PIN SEAL | узнать ценуузнать цену |
| - | F8077 Шайба | узнать ценуузнать цену |
| - | F523555 Деталь GEAR HOUSING COVER SEAL | узнать ценуузнать цену |
| - | F74305 Деталь GEAR HOUSING COVER SEAL | узнать ценуузнать цену |
| - | F84307-1 Деталь DRIVE SHAFT SEAL | узнать ценуузнать цену |
| - | F338618-1 Деталь GEAR SHIFT ROD SEAL | узнать ценуузнать цену |
| 75 | FK1069 Рем.комплект помпы | узнать ценуузнать цену |
| - | F1425 Деталь HEX CAP SCREW, 1/4 - 20 X 5/8 S.S. | узнать ценуузнать цену |
| - | F1990 Деталь HEX CAP SCREW, 1/4 - 20 X 1-5/8 S.S. | узнать ценуузнать цену |
| - | F8083 Деталь SPRING LOCKWASHER | узнать ценуузнать цену |
| - | F523031 Прокладка водяной помпы | узнать ценуузнать цену |
| - | F523065-1 Импиллер | узнать ценуузнать цену |
| - | F523498 Шпонка | узнать ценуузнать цену |
| - | F523562 Пластина водяной помпы | узнать ценуузнать цену |
| - | 817853A1 Помпа водяная | узнать ценуузнать цену |
| 76 | F8083 Стопорная шайба | узнать ценуузнать цену |
| 77 | F522056 Подшипник | узнать ценуузнать цену |
| 78 | F50109 Деталь PLUG, GEAR HOUSING | узнать ценуузнать цену |