OEM ЗАПЧАСТИ

  info@automotohub.ru   8 (916) 294-84-77
  О Компании   Оплата и Доставка   Помощь   Обратная связь
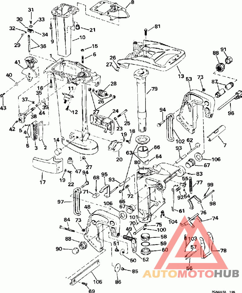
Струбцина
#кодцена
1
0436192
Деталь Hsg Ay, Exh-std
узнать
цену
узнать цену
1
0436193
Деталь See Pricebook
узнать
цену
узнать цену
2
0341427
Прокладка
узнать
цену
узнать цену
3
0341426
Деталь Cover, Exh Relief
узнать
цену
узнать цену
4
0305863
Шайба
узнать
цену
узнать цену
5
0334522
Винт
узнать
цену
узнать цену
6
0324815
Шпилька
узнать
цену
узнать цену
7
0342908
Деталь Shield, Tilt Tube
узнать
цену
узнать цену
8
0330621
Прокладка
узнать
цену
узнать цену
9
0308743
Винт
узнать
цену
узнать цену
10
0336258
Деталь Tube, Exhaust-inner
узнать
цену
узнать цену
11
0303879
Резиновое Крепление
узнать
цену
узнать цену
11
0325974
Резиновое Крепление
узнать
цену
узнать цену
12
0329217
Винт
узнать
цену
узнать цену
13
0335430
Кронштейн
узнать
цену
узнать цену
14
0321470
Резиновое Крепление
узнать
цену
узнать цену
14
0325975
Резиновое Крепление
узнать
цену
узнать цену
15
0316355
Гайка
узнать
цену
узнать цену
16
0324816
Деталь Screw-exh Hsg
узнать
цену
узнать цену
17
0323109
Деталь Housing-lwr Mt
узнать
цену
узнать цену
18
0309942
Винт
узнать
цену
узнать цену
19
0303886
Шайба
узнать
цену
узнать цену
20
0321469
Резиновое Крепление
узнать
цену
узнать цену
21
0302497
Уплотнитель
узнать
цену
узнать цену
23
0304144
Шайба
узнать
цену
узнать цену
24
0323108
Деталь Hsg-lwr Mt-port
узнать
цену
узнать цену
25
0342540
Винт
узнать
цену
узнать цену
26
0303884
Шайба
узнать
цену
узнать цену
27
0303889
Гайка
узнать
цену
узнать цену
28
0331812
Резиновое Крепление
узнать
цену
узнать цену
29
0302504
Штифт
узнать
цену
узнать цену
30
0305650
Деталь Cotter Pin 10pk
узнать
цену
узнать цену
31
0308017
Винт
узнать
цену
узнать цену
32
0304380
Деталь Bow Washer
узнать
цену
узнать цену
33
0319537
Зажим
узнать
цену
узнать цену
34
0322092
Рычаг тяги
узнать
цену
узнать цену
35
0303775
Шайба
узнать
цену
узнать цену
36
0325540
Деталь Shift Rod-std
узнать
цену
узнать цену
36
0325541
Деталь Shift Rod-lng
узнать
цену
узнать цену
37
0203688
Гайка
узнать
цену
узнать цену
38
0394574
Деталь Adj Lever & Shaft
узнать
цену
узнать цену
39
0324660
Кольцо уплотнительное
узнать
цену
узнать цену
40
0328703
Шайба
узнать
цену
узнать цену
41
0335342
Деталь Cam, Actuator
узнать
цену
узнать цену
42
0313607
Фитинг
узнать
цену
узнать цену
43
0317581
Винт
узнать
цену
узнать цену
44
0315786
Седло
узнать
цену
узнать цену
47
0326071
Амортизатор ударов
узнать
цену
узнать цену
48
0342536
Деталь Stern Brkt, Stbd
узнать
цену
узнать цену
433675
0433675
Деталь Kit Ay, Clampscrew ( Not Shown)
узнать
цену
узнать цену
391421
0391421
Деталь C-screw Kit, Sst ( Not Shown Optional)
узнать
цену
узнать цену
50
0337017
Деталь Plate, Swivel
узнать
цену
узнать цену
51
0321922
Деталь Screw-clmpscrw 5pk
узнать
цену
узнать цену
52
0398001
Деталь Clampscrew Handle
узнать
цену
узнать цену
53
0342535
Деталь Stern Brkt, Port
узнать
цену
узнать цену
54
0319108
Деталь Screw-bellcrk
узнать
цену
узнать цену
55
0319695
Деталь Ff Bellcrank
узнать
цену
узнать цену
56
0322945
Штифт
узнать
цену
узнать цену
57
0333774
Деталь Clip 10pk
узнать
цену
узнать цену
58
0309967
Втулка
узнать
цену
узнать цену
59
0301917
Кольцо
узнать
цену
узнать цену
60
0309966
Шайба
узнать
цену
узнать цену
61
0319696
Деталь Ff Rod Rev Lock
узнать
цену
узнать цену
62
0388661
Деталь Cam&shaft-tilt Lk
узнать
цену
узнать цену
63
0397736
Деталь Block, Washer&seal
узнать
цену
узнать цену
64
0332662
Деталь Friction Block
узнать
цену
узнать цену
65
0321531
Деталь Screw Strg Adj
узнать
цену
узнать цену
66
0332663
Деталь Upper Liner
узнать
цену
узнать цену
67
0319787
Деталь Bushing Swiv Brkt
узнать
цену
узнать цену
68
0319227
Винт
узнать
цену
узнать цену
69
0324579
Деталь Screw-tie Bar
узнать
цену
узнать цену
70
0322947
Штифт
узнать
цену
узнать цену
71
0328048
Ручка
узнать
цену
узнать цену
72
0551113
Пружина
узнать
цену
узнать цену
73
0313838
Гайка
узнать
цену
узнать цену
74
0322949
Деталь Link-reverse Lock
узнать
цену
узнать цену
75
0303887
Шайба
узнать
цену
узнать цену
76
0322950
Фиксирующий Рычаг
узнать
цену
узнать цену
77
0315078
Деталь Spring Lock
узнать
цену
узнать цену
78
0338657
Деталь Link
узнать
цену
узнать цену
79
0329648
Деталь Pilot Shaft
узнать
цену
узнать цену
80
0323158
Деталь Swivel Brkt
узнать
цену
узнать цену
81
0317624
Винт
узнать
цену
узнать цену
432294
0432294
Деталь Screw & Nut Ay ( Not Shown)
узнать
цену
узнать цену
84
0334427
Винт
узнать
цену
узнать цену
85
0310702
Гайка
узнать
цену
узнать цену
86
0315776
Деталь Washer Sb
узнать
цену
узнать цену
87
0351896
Деталь Tube, Tilt Sst
узнать
цену
узнать цену
88
0335554
Гайка
узнать
цену
узнать цену
90
0317894
Крышка
узнать
цену
узнать цену
91
0337586
Деталь Nut, Wiper
узнать
цену
узнать цену
92
0319694
Деталь Ff Spring Tilt Lk
узнать
цену
узнать цену
93
0319693
Деталь Ff Bushing Tilt Lk
узнать
цену
узнать цену
94
0319692
Деталь Ff Pin Tilt Lock
узнать
цену
узнать цену
95
0388662
Деталь Lvr&shaft Ay
узнать
цену
узнать цену
96
0436387
Деталь Pin Ay, Tilt 9.8"
узнать
цену
узнать цену
97
0437875
Деталь Lock Ay, Tilt-stbd
узнать
цену
узнать цену
98
0326943
Штифт
узнать
цену
узнать цену
102
0437876
Деталь Lock Ay, Tilt-port
узнать
цену
узнать цену
103
0319697
Деталь Ff Spring
узнать
цену
узнать цену
104
0322946
Пружина
узнать
цену
узнать цену
105
0351247
Деталь Bar, Tie
узнать
цену
узнать цену
106
0319699
Деталь Ff Washer
узнать
цену
узнать цену
22
0309942
Винт
узнать
цену
узнать цену
49
0433675
Деталь Kit Ay, Clampscrew
узнать
цену
узнать цену
83
0313607
Фитинг
узнать
цену
узнать цену
99
0333774
Деталь Clip 10pk
узнать
цену
узнать цену
100
0333774
Деталь Clip 10pk
узнать
цену
узнать цену
101
0313607
Фитинг
узнать
цену
узнать цену
{modalWnd}