OEM ЗАПЧАСТИ

  info@automotohub.ru   8 (916) 294-84-77
  О Компании   Оплата и Доставка   Помощь   Обратная связь
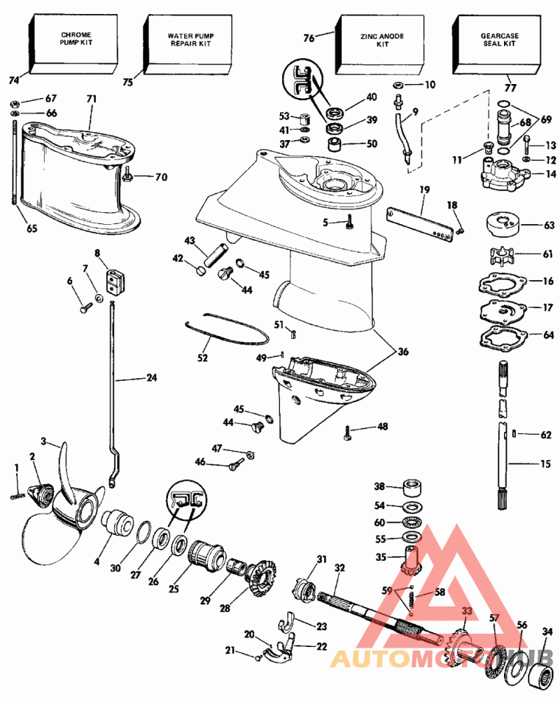
Редуктор
#кодцена
1
0306394
Деталь Cotter Pin 10 Pk
узнать
цену
узнать цену
2
0390294
Гайка гребного винта
узнать
цену
узнать цену
3
0389067
Деталь Al Prop 25hp 7p
узнать
цену
узнать цену
3
0763585
Деталь Prop, Al 9x9 3bld
узнать
цену
узнать цену
3
0763589
Деталь Prop Al. 9x10
узнать
цену
узнать цену
3
0763584
Деталь Prop Al. 9.25x11
узнать
цену
узнать цену
4
0389281
Деталь Prop Hub 25 Hp
узнать
цену
узнать цену
5
0328333
Винт
узнать
цену
узнать цену
6
0304024
Винт
узнать
цену
узнать цену
7
0301551
Стопорная шайба
узнать
цену
узнать цену
8
0303794
Деталь Connector, Shft Rod
узнать
цену
узнать цену
9
0395340
Деталь Wtr Tube Ay
узнать
цену
узнать цену
10
0330658
Шайба
узнать
цену
узнать цену
11
0302497
Деталь Grommet ( Also Included In Water Pump Repair Kit 395270)
узнать
цену
узнать цену
12
0328702
Деталь Washer ( Also Included In Water Pump Repair Kit 395270)
узнать
цену
узнать цену
13
0324960
Деталь Screw ( Also Included In Water Pump Repair Kit 395270)
узнать
цену
узнать цену
14
0330560
Деталь Imp Hsg
узнать
цену
узнать цену
15
0341649
Деталь Driveshaft, 20"
узнать
цену
узнать цену
16
0329390
Деталь Gasket ( Also Included In Water Pump Repair Kits 395270 & 395271)
узнать
цену
узнать цену
17
0324564
Деталь Plate ( Chrome Plated)
узнать
цену
узнать цену
17
0765642
Деталь Plate ( Stainless Steel Also Included In Water Pump Repair Kit 395270)
узнать
цену
узнать цену
18
0303587
Винт
узнать
цену
узнать цену
19
0302505
Крышка
узнать
цену
узнать цену
20
0306376
Шплинт
узнать
цену
узнать цену
21
0302504
Штифт
узнать
цену
узнать цену
22
0375755
Деталь Lever & Pin A
узнать
цену
узнать цену
23
0325014
Зажим
узнать
цену
узнать цену
24
0303257
Деталь Shift Rod, Low-long
узнать
цену
узнать цену
25
0389045
Деталь Gcase Head&seal Ay
узнать
цену
узнать цену
26
0321459
Деталь Oil Retainer
узнать
цену
узнать цену
27
0321787
Деталь Seal Prop Shaft
узнать
цену
узнать цену
28
0325258
Деталь Gear-reverse, 3lug
узнать
цену
узнать цену
29
0303997
Втулка
узнать
цену
узнать цену
30
0321921
Уплотнительное кольцо
узнать
цену
узнать цену
31
0325263
Муфта переключения скоростей
узнать
цену
узнать цену
33
0390295
Деталь Gear&bush-fwd, 3lug
узнать
цену
узнать цену
34
0389472
Деталь Bearing-fwd Gear
узнать
цену
узнать цену
35
0324457
Деталь Pinion-driveshaft
узнать
цену
узнать цену
36
0432810
Деталь G-case & Brg
узнать
цену
узнать цену
37
0304764
Прокладка
узнать
цену
узнать цену
38
0376856
Деталь Brg Ay, Needle
узнать
цену
узнать цену
39
0321459
Деталь Oil Retainer
узнать
цену
узнать цену
40
0330327
Деталь Oil Retainer
узнать
цену
узнать цену
41
0301877
Кольцо
узнать
цену
узнать цену
42
0300314
Заглушка
узнать
цену
узнать цену
43
0302757
Водозаборная решетка
узнать
цену
узнать цену
44
0307551
Пробка сливная
узнать
цену
узнать цену
45
0333572
Уплотнительное кольцо
узнать
цену
узнать цену
46
0308376
Винт
узнать
цену
узнать цену
47
0332584
Шайба
узнать
цену
узнать цену
48
0330562
Винт
узнать
цену
узнать цену
49
0300611
Центрирующая втулка
узнать
цену
узнать цену
50
0386071
Подшипник
узнать
цену
узнать цену
54
0319667
Деталь Ff Thrust Washer
узнать
цену
узнать цену
55
0322688
Деталь Thrust Washer-lwr
узнать
цену
узнать цену
56
0324459
Упорная шайба
узнать
цену
узнать цену
57
0389470
Подшипник опорный
узнать
цену
узнать цену
58
0316505
Пружина
узнать
цену
узнать цену
59
0316506
Шарик фиксирующий
узнать
цену
узнать цену
60
0388027
Деталь Thrust Brg Ay
узнать
цену
узнать цену
61
0395289
Деталь Imp & Key ( Also Included In Water Pump Repair Kit 395270)
узнать
цену
узнать цену
62
0344470
Деталь Key, Impeller-blk ( Also Included In Water Pump Repair Kit 395270)
узнать
цену
узнать цену
63
0328773
Деталь Cup-chrome ( Chrome Plated)
узнать
цену
узнать цену
63
0328751
Деталь Cup, Imp Hsg ( Stainless Steel Also Included In Water Pump Repair Kit 395270)
узнать
цену
узнать цену
64
0324449
Деталь Gasket-impellr 5pk ( Also Included In Water Pump Repair Kits 395270 & 395271)
узнать
цену
узнать цену
67
0552938
Гайка
узнать
цену
узнать цену
68
0324455
Проставка
узнать
цену
узнать цену
69
0301967
Деталь O Ring ( Also Included In Water Pump Repair Kit 395270)
узнать
цену
узнать цену
70
0328333
Винт
узнать
цену
узнать цену
71
0328336
Деталь Extension
узнать
цену
узнать цену
75
0395270
Деталь Kit Ay, Wtr Pump
узнать
цену
узнать цену
76
0173029
Деталь Zinc Anode Kit Ob ( Optional)
узнать
цену
узнать цену
77
0396352
Комплект сальников редуктора
узнать
цену
узнать цену
304454
0304454
Деталь Lockwasher ( Not Shown)
узнать
цену
узнать цену
306643
0306643
Деталь Screw ( Not Shown)
узнать
цену
узнать цену
332226
0332226
Деталь Screw ( Optional)
узнать
цену
узнать цену
{modalWnd}