OEM ЗАПЧАСТИ

  info@automotohub.ru   8 (916) 294-84-77
  О Компании   Оплата и Доставка   Помощь   Обратная связь

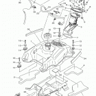
KODIAK 450 EPS 4WD HUNTER (YFM45KPHJF) (2018)

KODIAK 450 EPS 4WD HUNTER  (YFM45KPHJF) (2018)
{modalWnd}