OEM ЗАПЧАСТИ

  info@automotohub.ru   8 (916) 294-84-77
  О Компании   Оплата и Доставка   Помощь   Обратная связь

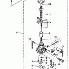
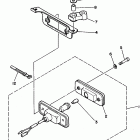
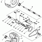
Blaster - Maine & New Hampshire (1995)

Blaster - Maine & New Hampshire (1995)
{modalWnd}