OEM ЗАПЧАСТИ

  info@automotohub.ru   8 (916) 294-84-77
  О Компании   Оплата и Доставка   Помощь   Обратная связь

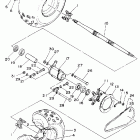
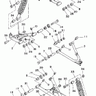
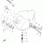
Warrior - Maine & New Hampshire (1992)

Warrior - Maine & New Hampshire (1992)
{modalWnd}