OEM ЗАПЧАСТИ

  info@automotohub.ru   8 (916) 294-84-77
  О Компании   Оплата и Доставка   Помощь   Обратная связь

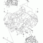
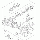
LT-A400F,Z KingQuad 400ASi 4x4 Auto (2012)

LT-A400F,Z KingQuad 400ASi 4x4 Auto (2012)
Выбирайте узел вашей техники:


{modalWnd}