OEM ЗАПЧАСТИ

  info@automotohub.ru   8 (916) 294-84-77
  О Компании   Оплата и Доставка   Помощь   Обратная связь

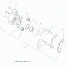
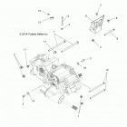
A18SES57C1/C2/C5/C7/E1/E5/E7/P57C1/T57C1/C7/E1/E7 SPORTSMAN 570 EPS TRACTOR (2018)

A18SES57C1/C2/C5/C7/E1/E5/E7/P57C1/T57C1/C7/E1/E7 SPORTSMAN 570 EPS TRACTOR (2018)
Выбирайте узел вашей техники:


{modalWnd}