OEM ЗАПЧАСТИ

  info@automotohub.ru   8 (916) 294-84-77
  О Компании   Оплата и Доставка   Помощь   Обратная связь

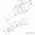
SCRAMBLER 500 2X4 INTL - A07BA50FA (2007)

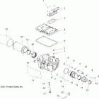
SCRAMBLER 500 2X4 INTL - A07BA50FA (2007)
{modalWnd}