OEM ЗАПЧАСТИ

  info@automotohub.ru   8 (916) 294-84-77
  О Компании   Оплата и Доставка   Помощь   Обратная связь

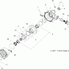
HAWKEYE 2X4/4X4 INTL - A07LB27FA/LH27FB (2007)

HAWKEYE 2X4/4X4 INTL - A07LB27FA/LH27FB (2007)
{modalWnd}