OEM ЗАПЧАСТИ

  info@automotohub.ru   8 (916) 294-84-77
  О Компании   Оплата и Доставка   Помощь   Обратная связь

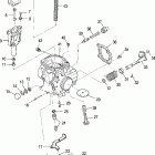
TRAIL BOSS 330 QUADRICYCLE - A05CA32EA (2005)

TRAIL BOSS 330 QUADRICYCLE - A05CA32EA (2005)
{modalWnd}