OEM ЗАПЧАСТИ

  info@automotohub.ru   8 (916) 294-84-77
  О Компании   Оплата и Доставка   Помощь   Обратная связь

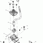
SPORTSMAN 400 - A03CH42AA/AB/AC (2003)

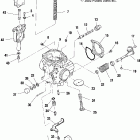
SPORTSMAN 400 - A03CH42AA/AB/AC (2003)
{modalWnd}