OEM ЗАПЧАСТИ

  info@automotohub.ru   8 (916) 294-84-77
  О Компании   Оплата и Доставка   Помощь   Обратная связь

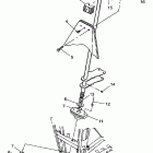
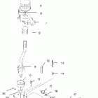
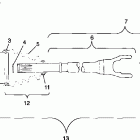
SPORTSMAN 335 - A99CH33AA/AB/CA/CB (1999)

SPORTSMAN 335 - A99CH33AA/AB/CA/CB (1999)
{modalWnd}