OEM ЗАПЧАСТИ

  info@automotohub.ru   8 (916) 294-84-77
  О Компании   Оплата и Доставка   Помощь   Обратная связь

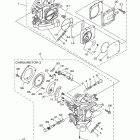
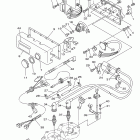
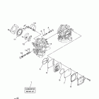
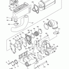
WAVE RUNNER SUPER JET SJ700B-K (2011)

WAVE RUNNER SUPER JET SJ700B-K (2011)
{modalWnd}