OEM ЗАПЧАСТИ

  info@automotohub.ru   8 (916) 294-84-77
  О Компании   Оплата и Доставка   Помощь   Обратная связь

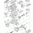
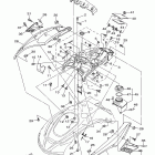
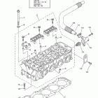
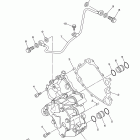
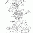
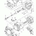
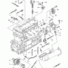
FX SUPER HIGH OUTPUT FX1800-J (2010)

FX SUPER HIGH OUTPUT FX1800-J (2010)
{modalWnd}