OEM ЗАПЧАСТИ

  info@automotohub.ru   8 (916) 294-84-77
  О Компании   Оплата и Доставка   Помощь   Обратная связь

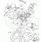
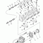
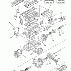
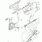
WAVE RUNNER FX CRUISER HO- FY1800AJ (2010)

WAVE RUNNER FX CRUISER HO- FY1800AJ (2010)
{modalWnd}