OEM ЗАПЧАСТИ

  info@automotohub.ru   8 (916) 294-84-77
  О Компании   Оплата и Доставка   Помощь   Обратная связь

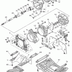
FX CRUISER HIGH OUTPUT-FX1100-E/FX1100A-E (2006)

FX CRUISER HIGH OUTPUT-FX1100-E/FX1100A-E (2006)
{modalWnd}