OEM ЗАПЧАСТИ

  info@automotohub.ru   8 (916) 294-84-77
  О Компании   Оплата и Доставка   Помощь   Обратная связь

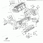
FX140 Cruiser High Output - FX1100AC (2004)

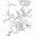
FX140 Cruiser High Output - FX1100AC (2004)
{modalWnd}