OEM ЗАПЧАСТИ

  info@automotohub.ru   8 (916) 294-84-77
  О Компании   Оплата и Доставка   Помощь   Обратная связь

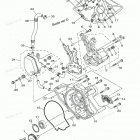
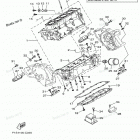
FX140 Cruiser High Output (Cali.) - FX1100ACC (2004)

FX140  Cruiser High Output (Cali.) - FX1100ACC (2004)
{modalWnd}