OEM ЗАПЧАСТИ

  info@automotohub.ru   8 (916) 294-84-77
  О Компании   Оплата и Доставка   Помощь   Обратная связь

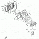
WAVERUNNER (Metallic Marine Silver) - XL800Y (2000)

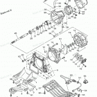
WAVERUNNER (Metallic Marine Silver) - XL800Y (2000)
{modalWnd}