OEM ЗАПЧАСТИ

  info@automotohub.ru   8 (916) 294-84-77
  О Компании   Оплата и Доставка   Помощь   Обратная связь

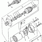
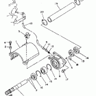
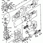
WAVE RUNNER PRO VXR - WRB700R (1993)

WAVE RUNNER PRO VXR - WRB700R (1993)
{modalWnd}