OEM ЗАПЧАСТИ

  info@automotohub.ru   8 (916) 294-84-77
  О Компании   Оплата и Доставка   Помощь   Обратная связь

Задняя подвеска 2

для Toyota Celica (2005) GT 1.8L L4 - Gas
Toyota
Задняя подвеска 2
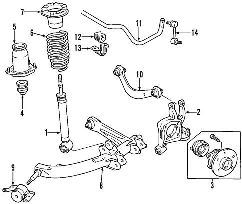
#кодцена
1
48530-80079
Амортизатор
CELICA; LINK TYPE
узнать
цену
узнать цену
2
42305-20330
Деталь KNUCKLE
CELICA; LEFT; GT-S; LINK TYPE
узнать
цену
узнать цену
2
42304-20340
Деталь KNUCKLE, RIGHT
GT
узнать
цену
узнать цену
2
42305-20340
Деталь KNUCKLE, LEFT
GT
узнать
цену
узнать цену
2
42304-20330
Деталь KNUCKLE
CELICA; RIGHT; GT-S; LINK TYPE
узнать
цену
узнать цену
3
42410-01020
Деталь HUB ASSY, LEFT
DRUM BRAKES, W/O ABS
узнать
цену
узнать цену
3
42450-63011
Деталь HUB ASSY, LEFT
DISC BRAKES, W/ABS
узнать
цену
узнать цену
4
48341-01040
Деталь BUMPER, LEFT
PARTS: Part included with strut.
узнать
цену
узнать цену
5
48401-20010
Деталь BRACKET, LEFT
PARTS: Part included with strut.
узнать
цену
узнать цену
6
48231-2G640
Деталь SPRING, RIGHT
узнать
цену
узнать цену
7
48257-32080
ИЗОЛЯТОР ПРУЖИНЫ
узнать
цену
узнать цену
8
48710-20361
РЫЧАГ ЗАДНЕЙ ПОДВЕСКИ RH
узнать
цену
узнать цену
8
48720-20111
Деталь LOWER CNTRL ARM, LEFT
узнать
цену
узнать цену
9
48060-20060
Деталь BUSHING, RIGHT
GT
узнать
цену
узнать цену
9
48070-20010
Деталь BUSHING, LEFT
GT
узнать
цену
узнать цену
9
48070-20020
Держатель
CELICA; LEFT; GT-S; LINK TYPE
узнать
цену
узнать цену
9
48060-20070
Держатель
CELICA; RIGHT; GT-S; LINK TYPE
узнать
цену
узнать цену
10
48770-20020
Деталь UPPER CNTRL ARM, RIGHT
узнать
цену
узнать цену
11
48812-2B031
Деталь STABILIZER BAR
узнать
цену
узнать цену
12
48818-20350
Деталь BUSHINGS
CELICA; LINK TYPE
узнать
цену
узнать цену
13
48832-32120
Держатель
CELICA; LINK TYPE
узнать
цену
узнать цену
14
48820-24010
Деталь LINK
SC300, SC400; SC300 & SC400
узнать
цену
узнать цену
N/A
90080-11347
КРЕПЕЖ
узнать
цену
узнать цену
{modalWnd}