OEM ЗАПЧАСТИ

  info@automotohub.ru   8 (916) 294-84-77
  О Компании   Оплата и Доставка   Помощь   Обратная связь

Генератор 2

для Toyota Tacoma (2004) Base 3.4L V6 - Gas
Toyota
Генератор 2
#кодцена
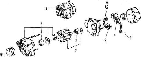
2
27700-50030
Реле регулятора
4-RUNNER; 6 CYLINDER
узнать
цену
узнать цену
3
90099-10140
Подшипник генератора
PICK-UP, 4-RUNNER; REAR; INTERNAL REGULATOR
узнать
цену
узнать цену
3
90099-10192
Деталь BEARINGS
ES300; FRONT; ES300
узнать
цену
узнать цену
4
27310-62150
Статор
4-RUNNER; 6 CYLINDER
узнать
цену
узнать цену
5
27330-74550
Ротор
CAMRY; 3.0L; W/SOLARA
узнать
цену
узнать цену
7
27357-55080
Регулятор напряжения
ES300; ES300
узнать
цену
узнать цену
{modalWnd}