OEM ЗАПЧАСТИ

  info@automotohub.ru   8 (916) 294-84-77
  О Компании   Оплата и Доставка   Помощь   Обратная связь

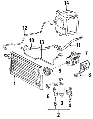
CONDENSER, COMPRESSOR & LINES

для Toyota 4Runner (1994) SR5 2.4L L4 - Gas
Toyota
CONDENSER, COMPRESSOR & LINES
#кодцена
1
88460-35080
Конденсатор
узнать
цену
узнать цену
2
88470-89103
Деталь DEHYDRATOR
узнать
цену
узнать цену
3
88471-34010
Деталь DEHYDRATOR
узнать
цену
узнать цену
4
88472-35010
Деталь TANK BRACKET
PARTS: Part included with Dehydrator.
узнать
цену
узнать цену
6
88716-35120
Патрубок
PARTS: Part included with Dehydrator.
узнать
цену
узнать цену
8
88431-35150
Деталь COMPRESSOR MOUNT BRACKET
4 CYLINDER
узнать
цену
узнать цену
9
88410-35110
Муфта сцепления
PARTS: Order by description.
узнать
цену
узнать цену
10
88711-35230
Деталь DISCHARGE HOSE
4 CYLINDER
узнать
цену
узнать цену
12
88716-35120
Патрубок
PARTS: Part included with Dehydrator.
узнать
цену
узнать цену
13
88716-35190
Приемник
узнать
цену
узнать цену
14
88510-35120
Деталь EVAPORATOR ASSY
4 CYLINDER
узнать
цену
узнать цену
{modalWnd}