OEM ЗАПЧАСТИ

  info@automotohub.ru   8 (916) 294-84-77
  О Компании   Оплата и Доставка   Помощь   Обратная связь

Передняя подвеска

для Toyota 4Runner (1992) SR5 2.4L L4 - Gas
Toyota
Передняя подвеска
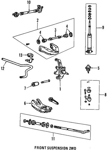
#кодцена
N/A
90311-66003
САЛЬНИК
1986-89
узнать
цену
узнать цену
N/A
90368-49084-77
ПОДШИПНИК СТУП. ВНУТР.
1986-89, INNER
PARTS: Includes inner & outer.
узнать
цену
узнать цену
N/A
90080-36067
ПОДШИПНИК ПЕР.СТУП. ВНЕШ.
1986-89
PARTS: Includes inner & outer.
узнать
цену
узнать цену
1
43201-35030
Деталь KNUCKLE
2WD, W/O 4 WHEEL ABS
узнать
цену
узнать цену
1
43202-35020
Деталь KNUCKLE
2WD, W/O 4 WHEEL ABS
узнать
цену
узнать цену
3
04485-35060
Вал
ALL MODELS; 4WD TORSION BAR
узнать
цену
узнать цену
4
48635-35010
Деталь BUSHINGS
ALL MODELS; REAR; 4WD TORSION BAR
узнать
цену
узнать цену
6
48068-35051
Деталь LOWER CONTROL ARM
ALL MODELS; RIGHT; 4WD TORSION BAR
узнать
цену
узнать цену
6
48069-35051
Деталь LOWER CONTROL ARM
ALL MODELS; LEFT; 4WD TORSION BAR
узнать
цену
узнать цену
8
43340-39245
Деталь LOWER BALL JOINT
ALL MODELS; LEFT; 4WD TORSION BAR
узнать
цену
узнать цену
8
43330-39265
Деталь LOWER BALL JOINT
4-RUNNER; RIGHT; 2WD, TORSION BAR
узнать
цену
узнать цену
9
48511-39766
Амортизатор
4-RUNNER; GAS SHOCK; 2WD TORSION BAR
узнать
цену
узнать цену
9
48511-39687
Амортизатор
4-RUNNER; STANDARD SHOCK; 2WD TORSION BAR
узнать
цену
узнать цену
10
48161-35110
Деталь TORSION BAR, RIGHT
1986-89, 4 CYLINDER
узнать
цену
узнать цену
10
48162-35110
Деталь TORSION BAR, LEFT
1986-89, 4 CYLINDER
узнать
цену
узнать цену
12
48811-35350
Деталь STABILIZER BAR
4-RUNNER; 4WD TORSION BAR
узнать
цену
узнать цену
13
48815-14160
Деталь BUSHINGS
4-RUNNER; 2WD, TORSION BAR
узнать
цену
узнать цену
{modalWnd}