OEM ЗАПЧАСТИ

  info@automotohub.ru   8 (916) 294-84-77
  О Компании   Оплата и Доставка   Помощь   Обратная связь

STEERING GEAR & LINKAGE 2

для Toyota Previa (1991) DX 2.4L L4 - Gas
Toyota
STEERING GEAR & LINKAGE 2
#кодцена
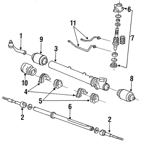
1
45047-29065
Деталь OUTER TIE ROD
узнать
цену
узнать цену
1
45046-29235
Деталь OUTER TIE ROD
узнать
цену
узнать цену
2
45503-29295
Деталь INNER TIE ROD
узнать
цену
узнать цену
3
44203-28170
Кожух
FROM 5/90
PARTS: Part is included in gear assembly.
узнать
цену
узнать цену
3
44203-28150
Кожух
TO 5/90
PARTS: Part is included in gear assembly.
узнать
цену
узнать цену
4
45514-28030
Деталь HOUSING MOUNT BRACKET, LEFT
узнать
цену
узнать цену
4
45515-28040
Деталь HOUSING MOUNT BRACKET, RIGHT
узнать
цену
узнать цену
5
45517-28020
Деталь HOUSING INSULATOR, RIGHT
узнать
цену
узнать цену
5
45516-28030
Деталь HOUSING INSULATOR, LEFT
узнать
цену
узнать цену
6
44204-28050
Деталь RACK
PARTS: Part is included in gear assembly.
узнать
цену
узнать цену
7
44210-28150
Деталь CONTROL VALVE
PREVIA; W/O SUPERCHARGER; POWER
узнать
цену
узнать цену
8
45535-28020
ПЫЛЬНИК РУЛЕВОГО НАКОНЕЧНИКА
PREVIA; POWER
узнать
цену
узнать цену
9
45535-27030
чехол
#1, TO 5/90
PARTS: Part is included in gear assembly.
узнать
цену
узнать цену
10
44275-28020
Стопор
TO 5/90
PARTS: Part is included in gear assembly.
узнать
цену
узнать цену
10
44275-26020
Стопор
FROM 5/90
PARTS: Part is included in gear assembly.
узнать
цену
узнать цену
11
44418-28070
Деталь PRESSURE TUBE, RIGHT
W/O SUPERCHARGER
PARTS: Part is included in gear assembly.
узнать
цену
узнать цену
11
44419-28050
Деталь PRESSURE TUBE, LEFT
W/O SUPERCHARGER
PARTS: Part is included in gear assembly.
узнать
цену
узнать цену
{modalWnd}