OEM ЗАПЧАСТИ

  info@automotohub.ru   8 (916) 294-84-77
  О Компании   Оплата и Доставка   Помощь   Обратная связь

Задняя подвеска

для Toyota Corolla (1987) DLX 1.6L L4 - Gas
Toyota
Задняя подвеска
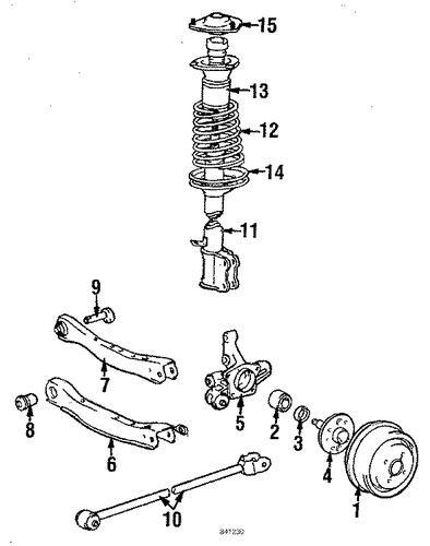
#кодцена
1
42431-20070
Деталь BRAKE DRUM
узнать
цену
узнать цену
2
90369-28006
Деталь WHEEL BEARING, LEFT
2WD
узнать
цену
узнать цену
3
90311-41003
Деталь HUB SEAL, RIGHT
2WD
узнать
цену
узнать цену
4
42301-12120
Деталь HUB, LEFT
FX
узнать
цену
узнать цену
5
42304-12030
Деталь CARRIER, RIGHT
узнать
цену
узнать цену
5
42305-12030
Деталь CARRIER, LEFT
узнать
цену
узнать цену
6
48710-32021
Деталь FT LATERAL ARM, RIGHT
2 WHEEL DRIVE, GAS
узнать
цену
узнать цену
7
48730-32011
Деталь RR LATERAL ARM, RIGHT
2 WHEEL DRIVE
узнать
цену
узнать цену
8
48725-32070
Деталь BUSHINGS
CAMRY; 2WD STRUT TYPE
узнать
цену
узнать цену
9
48409-32010
Деталь ALIGNMENT CAM
узнать
цену
узнать цену
10
48780-12030
РЫЧАГ ЗАДНЕЙ ПОДВЕСКИ RH
узнать
цену
узнать цену
11
48530-12020
Деталь STRUT
CAMRY; COROLLA FX; 2WD STRUT TYPE
узнать
цену
узнать цену
11
48540-12020
Деталь STRUT
CAMRY; COROLLA; LIFTBACK, SEDAN; GAS; LEFT; 2WD STRUT TYPE
узнать
цену
узнать цену
12
48231-12340
Деталь SPRING, LEFT
LIFTBACK, GAS ENGINE
узнать
цену
узнать цену
12
48231-12360
Деталь SPRING, RIGHT
FX
узнать
цену
узнать цену
13
48257-32030
Деталь SPRING UPPER INSULATOR
узнать
цену
узнать цену
14
48258-16010
Изолятор
DISC BRAKES
узнать
цену
узнать цену
15
48750-12020
Деталь SPRING SUPPORT
FX
узнать
цену
узнать цену
{modalWnd}