OEM ЗАПЧАСТИ

  info@automotohub.ru   8 (916) 294-84-77
  О Компании   Оплата и Доставка   Помощь   Обратная связь

BLOWER MOTOR & FAN

для Mitsubishi 3000GT (1999) Base 3.0L V6 - Gas
Mitsubishi
BLOWER MOTOR & FAN
#кодцена
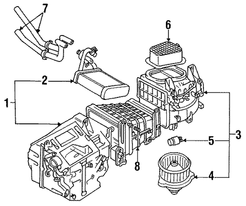
1
MR398781
Нагреватель
MANUAL AC
узнать
цену
узнать цену
1
MR398782
Нагреватель
AUTO AC
узнать
цену
узнать цену
2
MB657227
Деталь HEATER CORE
узнать
цену
узнать цену
3
MR360394
Вентилятор в сборе
AUTO AC
узнать
цену
узнать цену
3
MB657233
Вентилятор в сборе
MANUAL AC
узнать
цену
узнать цену
4
MB657230
ВЕНТИЛЯТОР И МОТОР ОТОПИТЕЛЯ
узнать
цену
узнать цену
6
MB813262
Деталь AIR GUIDE
узнать
цену
узнать цену
7
MR124827
Деталь HOSE & TUBE ASSY
SOHC
узнать
цену
узнать цену
7
MB698901
Деталь HOSE & TUBE ASSY
DOHC
узнать
цену
узнать цену
N/A
MB315836
Резистор
3000 GT
узнать
цену
узнать цену
N/A
MB084670
Деталь リレ-,エンジン
3000 GT
узнать
цену
узнать цену
N/A
MB897122
Деталь CONTROL MODULE
3000 GT
узнать
цену
узнать цену
{modalWnd}