OEM ЗАПЧАСТИ

  info@automotohub.ru   8 (916) 294-84-77
  О Компании   Оплата и Доставка   Помощь   Обратная связь

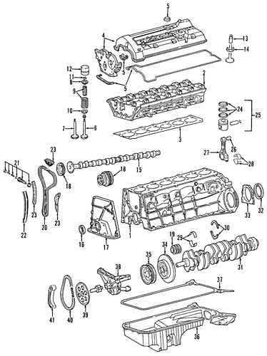
Двигатель

для Mercedes E300 (1995) BASE 3 0l L6 Diesel
Mercedes
Двигатель
#кодцена
N/A
603-223-45-04
Деталь SUPPORT BRACKET, RIGHT
узнать
цену
узнать цену
N/A
104-010-14-08
Деталь OVERHAUL GASKET SET
3.0L, 3.2L; 3.0L & 3.2L D.O.H.C
узнать
цену
узнать цену
N/A
1040105102
Деталь ENGINE
2.8L; W/O ASR; 6 CYLINDER, 2.8L, 3.0L DOHC, GAS
узнать
цену
узнать цену
2
1040105102
Деталь ENGINE
2.8L; W/O ASR; 6 CYLINDER, 2.8L, 3.0L DOHC, GAS
узнать
цену
узнать цену
3
104-016-28-20
Деталь HEAD GASKET
узнать
цену
узнать цену
4
104-010-18-30
Крышка клапанная
3.2L; REAR; 3.0L & 3.2L D.O.H.C
узнать
цену
узнать цену
4
104-016-24-06
Крышка клапанная
3.2L; FRONT; 3.0L & 3.2L D.O.H.C
узнать
цену
узнать цену
5
104-015-02-20
Крышка
узнать
цену
узнать цену
5
104-010-21-30
Крышка
3.2L; REAR; 3.0L & 3.2L D.O.H.C
узнать
цену
узнать цену
6
111-053-24-01
Клапан впускной
узнать
цену
узнать цену
7
111-050-12-27
Клапан выпускной
3.2L; 3.0L & 3.2L D.O.H.C
узнать
цену
узнать цену
9
111-053-00-20
Деталь VALVE SPRINGS
3.2L; INNER; 3.0L & 3.2L D.O.H.C
узнать
цену
узнать цену
9
104-053-05-20
Деталь VALVE SPRINGS
3.0L; OUTER; 3.0L & 3.2L D.O.H.C
узнать
цену
узнать цену
11
111-053-00-26
Деталь VALVE KEEPER
2.8, 3.0L; 6 CYLINDER, 2.8L, 3.0L DOHC, GAS
узнать
цену
узнать цену
12
104-050-14-16
ПЛАНКА УСПОКОИТЕЛЯ ЦЕПИ ГРМ
узнать
цену
узнать цену
13
111-053-10-29
Направляющая клапана
3.2L; 3.0L & 3.2L D.O.H.C
узнать
цену
узнать цену
14
104-053-02-32
Деталь VALVE SEATS
3.0L, 3.2L; EXHAUST; 3.0L & 3.2L D.O.H.C
узнать
цену
узнать цену
14
104-053-03-31
Деталь VALVE SEATS
3.0L, 3.2L; INTAKE; 3.0L & 3.2L D.O.H.C
узнать
цену
узнать цену
15
104-050-85-01
Распред.вал
3.2L; EXHAUST; 3.0L & 3.2L D.O.H.C
узнать
цену
узнать цену
15
104-050-74-01
Распред.вал
3.2L; INTAKE; 3.0L & 3.2L D.O.H.C
узнать
цену
узнать цену
16
120-997-03-46
Деталь FRONT CRANK SEAL
2.8, 3.0L; 6 CYLINDER, 2.8L, 3.0L DOHC, GAS
узнать
цену
узнать цену
17
104-015-07-02
Деталь TIMING COVER
узнать
цену
узнать цену
18
104-050-14-16
ПЛАНКА УСПОКОИТЕЛЯ ЦЕПИ ГРМ
узнать
цену
узнать цену
18
120-052-04-01
Деталь CAMSHAFT GEAR
3.2L; EXHAUST; 3.0L & 3.2L D.O.H.C
узнать
цену
узнать цену
19
104-052-09-03
Деталь CRANKSHAFT GEAR
3.0L, 3.2L; 3.0L & 3.2L D.O.H.C
узнать
цену
узнать цену
20
003-997-17-94
Деталь TIMING CHAIN
узнать
цену
узнать цену
21
120-050-02-11
Натяжитель
узнать
цену
узнать цену
22
104-050-14-16
ПЛАНКА УСПОКОИТЕЛЯ ЦЕПИ ГРМ
узнать
цену
узнать цену
23
104-052-14-16
Деталь SLIDE RAILS
3.2L; UPPER; 3.0L & 3.2L D.O.H.C
узнать
цену
узнать цену
23
104-050-15-16
Деталь SLIDE RAILS
узнать
цену
узнать цену
23
104-050-14-16
ПЛАНКА УСПОКОИТЕЛЯ ЦЕПИ ГРМ
узнать
цену
узнать цену
24
003-030-92-24
Деталь PISTON RINGS
узнать
цену
узнать цену
26
111-038-01-50
Палец поршневой
узнать
цену
узнать цену
27
102-030-26-20
Шатун
3.0L, 3.2L; 3.0L & 3.2L D.O.H.C
узнать
цену
узнать цену
28
111-038-09-10
Деталь BEARINGS
узнать
цену
узнать цену
29
6010300540
Гильца
300D 2.5 TURBO; 5 CYLINDER, 2.5L DIESEL
узнать
цену
узнать цену
30
6010300540
Гильца
300D 2.5 TURBO; 5 CYLINDER, 2.5L DIESEL
узнать
цену
узнать цену
32
017-997-74-47
Деталь REAR MAIN SEAL
узнать
цену
узнать цену
33
604-010-00-14
Деталь REAR MAIN SEAL RETAINER
3.0L, 3.2L; 3.0L & 3.2L D.O.H.C
узнать
цену
узнать цену
34
1040301603
Деталь VIBRATION DAMPER
3.2L; 3.0L & 3.2L D.O.H.C
узнать
цену
узнать цену
35
104-032-00-04
Деталь CRNKSHFT PULLEY
узнать
цену
узнать цену
36
104-014-14-02
Поддон масляный
узнать
цену
узнать цену
37
6030300540
Деталь MAIN BEARINGS
190, 260; 6 CYL, 2.6L
узнать
цену
узнать цену
38
6031810012
Деталь DRIVE GEAR
190D 2.5 TURBO; 5 CYL, 2.5L, DIESEL
узнать
цену
узнать цену
39
6031810012
Деталь DRIVE GEAR
190D 2.5 TURBO; 5 CYL, 2.5L, DIESEL
узнать
цену
узнать цену
40
0039973394
Деталь CENTER BEARING
300D 2.5 TURBO
узнать
цену
узнать цену
41
104-181-02-59
Натяжитель
3.0L, 3.2L; 3.0L & 3.2L D.O.H.C
узнать
цену
узнать цену
{modalWnd}