OEM ЗАПЧАСТИ

  info@automotohub.ru   8 (916) 294-84-77
  О Компании   Оплата и Доставка   Помощь   Обратная связь

Стартер 2

для Hyundai Veracruz (2008) GLS 3.8L V6 - Gas
Hyundai
Стартер 2
#кодцена
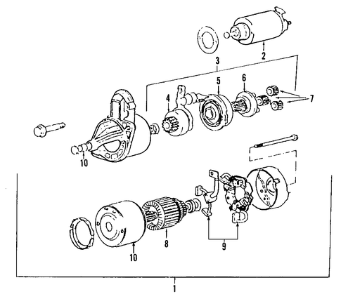
2
36120-3C131
ТЯГОВОЕ РЕЛЕ СТАРТЕРА
AMANTI; PART OF STARTER ASSY.; TO 10/29/07
узнать
цену
узнать цену
3
36140-25010
Деталь CLUTCH DRIVE
GENESIS COUPE; 3.8L
узнать
цену
узнать цену
4
36145-25010
БЕНДИКС
AZERA
узнать
цену
узнать цену
5
36136-25010
Деталь PINION GEAR
AZERA
узнать
цену
узнать цену
6
36143-3C150
Вал
ENTOURAGE
узнать
цену
узнать цену
7
36141-3C150
Деталь REDUCTION GEAR
BORREGO; 3.8L
узнать
цену
узнать цену
8
36150-3C150
Деталь ARMATURE
BORREGO; 3.8L
узнать
цену
узнать цену
9
36159-3C150
Деталь BRUSH HOLDER
AMANTI; FROM 10/29/07
узнать
цену
узнать цену
10
36160-3C200
Вилка карданного вала
VERACRUZ
узнать
цену
узнать цену
{modalWnd}