OEM ЗАПЧАСТИ

  info@automotohub.ru   8 (916) 294-84-77
  О Компании   Оплата и Доставка   Помощь   Обратная связь

Двигатель

для Dodge Ram 3500 (2004) SLT 5.9L L6 - Diesel
Dodge
Двигатель
#кодцена
N/A
R5093539AA
Силовой агрегат без навесного оборудования, коллекторов, маховика, поддона и головки блока цилиндров
RAM 2500, 3500; W/HIGH OUTPUT
Includes: Cylinder Block With Pistons & Rings, Crankshaft, Connecting Rods & Bearings; 5.9L, DIESEL
узнать
цену
узнать цену
N/A
5104874AA
Деталь OIL COOLER
RAM 2500, 3500; 5.9L, DIESEL
узнать
цену
узнать цену
N/A
52021712AA
Деталь MOUNT INSULATOR, LEFT
5.9 LITER DIESEL, 4WD, 2005
узнать
цену
узнать цену
N/A
5093228AB
Деталь OVERHAUL GASKET SET
RAM 2500, 3500; UPPER; 5.9L, DIESEL
узнать
цену
узнать цену
N/A
52021470AD
Деталь REAR MOUNT
RAM 1500; 2WD; 4.7L
узнать
цену
узнать цену
N/A
5093229AA
Деталь OVERHAUL GASKET SET
RAM 2500, 3500; LOWER; 5.9L, DIESEL
узнать
цену
узнать цену
N/A
R5093537AA
Силовой агрегат без навесного оборудования, коллекторов, маховика, поддона и головки блока цилиндров
RAM 2500, 3500; W/O HIGH OUTPUT
Includes: Cylinder Block With Pistons & Rings, Crankshaft, Connecting Rods & Bearings; 5.9L, DIESEL
узнать
цену
узнать цену
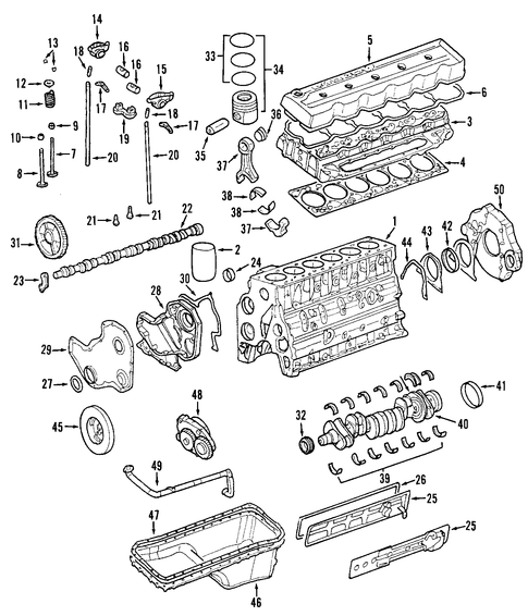
2
4429166
Гильца
RAM 2500, 3500; 5.9L, DIESEL
узнать
цену
узнать цену
3
5114415AA
Головка цилиндра
RAM 2500, 3500; 5.9L, DIESEL
узнать
цену
узнать цену
4
5086859AB
Деталь HEAD GASKET
RAM 2500, 3500; 5.9L, DIESEL
узнать
цену
узнать цену
5
5086955AB
Крышка клапанная
5.9 LITER DIESEL
узнать
цену
узнать цену
6
5086954AA
Деталь VALVE COVER GASKET, RIGHT
MEGA CAB, 5.9 LITER DIESEL
узнать
цену
узнать цену
7
5011879AA
Клапан впускной
RAM 2500, 3500; 6.7L DIESEL
узнать
цену
узнать цену
8
5140913AA
Клапан выпускной
RAM 2500; 6.7L DIESEL
узнать
цену
узнать цену
9
5086861AA
Деталь INTAKE VALVE SEALS
RAM 2500; 6.7L DIESEL
узнать
цену
узнать цену
10
68210104AA
Деталь EXHAUST VALVE SEALS
RAM 2500; 6.7L DIESEL
узнать
цену
узнать цену
11
5011441AB
Деталь VALVE SPRINGS
RAM 2500, 3500; 6.7L DIESEL
узнать
цену
узнать цену
12
5011455AA
Деталь VALVE SPRING RETAINERS
RAM 2500, 3500; 6.7L DIESEL
узнать
цену
узнать цену
13
5011878AA
Деталь VALVE KEEPER
RAM 2500, 3500
Part And Price Is For Half Of One Lock.; 6.7L DIESEL
узнать
цену
узнать цену
14
5011431AB
Деталь INTAKE ROCKER ARM
RAM 2500, 3500; 6.7L DIESEL
узнать
цену
узнать цену
15
5011431AB
Деталь INTAKE ROCKER ARM
RAM 2500, 3500; 6.7L DIESEL
узнать
цену
узнать цену
16
5016647AA
Деталь ROCKER SHAFT
RAM 2500, 3500; 5.9L, DIESEL
узнать
цену
узнать цену
17
5011477AA
Деталь CROSSHEAD VALVE
RAM 2500, 3500; 6.7L DIESEL
узнать
цену
узнать цену
18
5011899AC
Деталь ROCKER ADJUSTER SCREW
RAM 2500, 3500; 6.7L DIESEL
узнать
цену
узнать цену
19
5114421AA
Деталь ROCKER SUPPORT
RAM 2500, 3500; 6.7L DIESEL
узнать
цену
узнать цену
20
5011892AA
Деталь PUSH RODS
RAM 2500, 3500; 6.7L DIESEL
узнать
цену
узнать цену
21
5086736AA
Деталь VALVE LIFTERS
RAM 2500, 3500; 6.7L DIESEL
узнать
цену
узнать цену
22
5093139AB
Распред.вал
RAM 2500, 3500; 5.9L, DIESEL
узнать
цену
узнать цену
23
5086893AA
Деталь THRUST SUPPORT
RAM 2500, 3500; 6.7L DIESEL
узнать
цену
узнать цену
24
5003617AA
Деталь CAMSHAFT BEARINGS
RAM 2500; 6.7L DIESEL
узнать
цену
узнать цену
27
68027026AA
Деталь FRONT CRANK SEAL
RAM 2500, 3500; 6.7L DIESEL
узнать
цену
узнать цену
28
5139070AA
Деталь INNER COVER
RAM 2500, 3500; 5.9L, DIESEL
узнать
цену
узнать цену
29
5086814AA
Деталь OUTER COVER
RAM 2500, 3500; 6.7L, DIESEL
узнать
цену
узнать цену
30
68282010AA
Деталь FRONT COVER GASKET
RAM 2500, 3500; 6.7L DIESEL
узнать
цену
узнать цену
32
5086726AB
Деталь CRANKSHAFT GEAR
RAM 2500, 3500; 6.7L DIESEL
узнать
цену
узнать цену
33
5086885AB
Деталь PISTON RINGS
RAM 2500, 3500
Includes: Standard Ring Set For One Piston.; 5.9L, DIESEL
узнать
цену
узнать цену
34
5093118AB
Поршень
RAM 2500, 3500; W/HIGH OUTPUT
Includes: One Standard Piston & Rings; 5.9L, DIESEL
узнать
цену
узнать цену
34
5093117AB
Поршень
RAM 2500, 3500; W/O HIGH OUTPUT
Includes: One Standard Piston & Rings; 5.9L, DIESEL
узнать
цену
узнать цену
35
5015706AA
Палец поршневой
RAM 2500, 3500; 5.9L, DIESEL
узнать
цену
узнать цену
36
5018176AB
Деталь BUSHINGS
RAM 2500; 6.7L DIESEL
узнать
цену
узнать цену
37
R5003649AA
Шатун
RAM 2500, 3500; W/O HIGH OUTPUT; 5.9L, DIESEL
узнать
цену
узнать цену
37
R5102120AB
Шатун
RAM 2500, 3500; W/HIGH OUTPUT; ALL; 5.9L, DIESEL
узнать
цену
узнать цену
38
5102123AA
Подшипник
RAM 2500, 3500; LOWER; 6.7L DIESEL
узнать
цену
узнать цену
38
68001948AA
Деталь BEARINGS
ALL MODELS
Includes: Standard Upper & Lower Bearings For Six Connecting Rods.; 5.9L, DIESEL
узнать
цену
узнать цену
39
4429070AB
Деталь BEARINGS
ALL MODELS
Includes: Standard Upper & Lower Bearings For One Journal.; 5.9L, DIESEL
узнать
цену
узнать цену
40
68054213AA
Коленчатый вал
RAM 2500, 3500; 5.9L, DIESEL
узнать
цену
узнать цену
41
5011935AA
Гильца
RAM 2500, 3500; FRONT; 5.9L, DIESEL
узнать
цену
узнать цену
41
4897876AA
Гильца
RAM 2500, 3500; REAR; 5.9L, DIESEL
узнать
цену
узнать цену
42
5015705AA
Деталь REAR MAIN SEAL
ALL MODELS; 5.9L, DIESEL
узнать
цену
узнать цену
43
5086755AC
Деталь REAR MAIN SEAL RETAINER
RAM 2500, 3500; 6.7L DIESEL
узнать
цену
узнать цену
44
5086754AA
Деталь REAR MAIN SEAL GASKET
RAM 2500, 3500; 6.7L DIESEL
узнать
цену
узнать цену
45
5086735AA
Деталь VIBRATION DAMPER
5.9 LITER DIESEL
узнать
цену
узнать цену
46
5086855AA
Поддон масляный
RAM 2500, 3500; 5.9L, DIESEL
узнать
цену
узнать цену
47
5086854AA
Деталь OIL PAN GASKET
RAM 2500, 3500; 5.9L, DIESEL
узнать
цену
узнать цену
48
68067167AA
Масляный насос
6.7 LITER LITER TURBO
узнать
цену
узнать цену
49
5086857AA
Деталь OIL PICK-UP
RAM 2500, 3500; 6.7L DIESEL
узнать
цену
узнать цену
50
5086761AB
Деталь REAR COVER
RAM 2500, 3500; 5.9L, DIESEL
узнать
цену
узнать цену
{modalWnd}