OEM ЗАПЧАСТИ

  info@automotohub.ru   8 (916) 294-84-77
  О Компании   Оплата и Доставка   Помощь   Обратная связь

Система охлаждения

для Buick LaCrosse (2009) CX 3.8L V6 - Gas
Buick
Система охлаждения
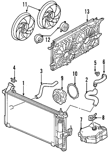
#кодцена
N/A
12177236
Деталь FAN RELAY
ALL MODELS; 4 PIN
узнать
цену
узнать цену
N/A
21997408
Деталь FAN RELAY
ALL MODELS; 5 PIN
узнать
цену
узнать цену
4
15293434
Деталь RADIATOR CAP
LACROSSE
узнать
цену
узнать цену
5
24505924
Термостат
ALL MODELS; 3.3L
узнать
цену
узнать цену
6
12594580
Деталь WATER OUTLET
3.8 LITER
узнать
цену
узнать цену
7
25924048
Деталь RESERVOIR
3.8 LITER
узнать
цену
узнать цену
8
10322539
Крышка
узнать
цену
узнать цену
10
12615933
Прокладка
LACROSSE; 3.8L; 2ND DESIGN
узнать
цену
узнать цену
11
88987273
Деталь FAN BLADE, RIGHT
3.8 LITER
узнать
цену
узнать цену
13
89019107
Деталь FAN SHROUD
3.8 LITER
узнать
цену
узнать цену
{modalWnd}