OEM ЗАПЧАСТИ

  info@automotohub.ru   8 (916) 294-84-77
  О Компании   Оплата и Доставка   Помощь   Обратная связь

Передняя подвеска

для Buick Skyhawk (1984) Custom 1.8L L4 - Gas
Buick
Передняя подвеска
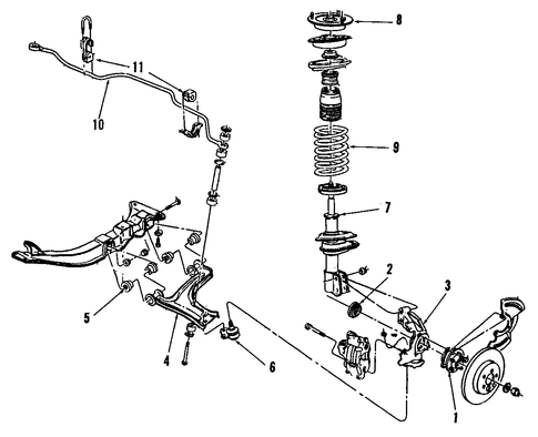
#кодцена
1
90064272
Деталь HUB & BEARING
ALL MODELS
узнать
цену
узнать цену
2
14084118
Деталь HUB SEALS
ALL MODELS
узнать
цену
узнать цену
3
14066984
Деталь KNUCKLE
RIGHT
узнать
цену
узнать цену
3
14066983
Деталь KNUCKLE
LEFT
узнать
цену
узнать цену
4
14026620
Деталь CONTROL ARM, RIGHT
узнать
цену
узнать цену
4
14026619
Деталь CONTROL ARM, LEFT
узнать
цену
узнать цену
5
14026628
Деталь CONTROL ARM BUSHING
REAR
узнать
цену
узнать цену
5
14026610
Деталь BUSHINGS
REAR
узнать
цену
узнать цену
6
9767781
Деталь BALL JOINTS
ALL MODELS
узнать
цену
узнать цену
7
22047913
Деталь STRUT
ALL MODELS; W/TOURING SUSPENSION; RIGHT
Part & Prices Are For Estimating Purposes Only.
узнать
цену
узнать цену
7
22047912
Деталь STRUT
ALL MODELS; W/TOURING SUSPENSION; LEFT
Part & Prices Are For Estimating Purposes Only.
узнать
цену
узнать цену
7
22049975
Деталь STRUT
ALL MODELS; W/O TOURING SUSPENSION; RIGHT
Part & Prices Are For Estimating Purposes Only.
узнать
цену
узнать цену
7
22049974
Деталь STRUT
ALL MODELS; W/O TOURING SUSPENSION; LEFT
Part & Prices Are For Estimating Purposes Only.
узнать
цену
узнать цену
9
14085586
Деталь COIL SPRING
CODE FKH
Parts & Prices Are For Estimating Purposes Only.
узнать
цену
узнать цену
9
14080122
Деталь COIL SPRING
CODE FAX
Parts & Prices Are For Estimating Purposes Only.
узнать
цену
узнать цену
10
14059935
Деталь STABILIZER BAR
ALL MODELS; 22 MM
узнать
цену
узнать цену
10
14059936
Деталь STABILIZER BAR
узнать
цену
узнать цену
10
14072293
Деталь STABILIZER BAR
ALL MODELS; 30 MM
узнать
цену
узнать цену
11
22540038
Деталь BUSHINGS
ALL MODELS; 24 MM
Used On Stabilizer Bar.
узнать
цену
узнать цену
11
14106753
Деталь BUSHINGS
ALL MODELS; 30 MM
Used On Stabilizer Bar.
узнать
цену
узнать цену
11
22540040
Деталь BUSHINGS
ALL MODELS; 28 MM
Used On Stabilizer Bar.
узнать
цену
узнать цену
{modalWnd}