OEM ЗАПЧАСТИ

  info@automotohub.ru   8 (916) 294-84-77
  О Компании   Оплата и Доставка   Помощь   Обратная связь

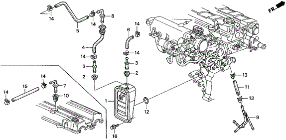
BREATHER CHAMBER (1)

для Acura INTEGRA HATCHBACK (2001) GS (LEATHER) 4 Speed Automatic
Acura
{modalWnd}